EasyManua.ls Logo

Spacelabs 91369 - Power Supply Connector

Spacelabs 91369
150 pages
Print Icon
To Next Page IconTo Next Page
To Next Page IconTo Next Page
To Previous Page IconTo Previous Page
To Previous Page IconTo Previous Page
Loading...
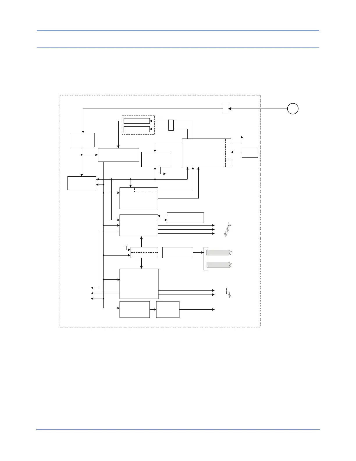
Theory
91369 Service Manual 3-6
Power Supply Section
The power supply subsystem produces power to drive the entire system, including the CPU, display,
parameter module, and battery charger (Figure 3-2).
Figure 3-2: Power supply section
Power Supply Connector
Power is supplied to the monitor from an external DC power supply. Power arrives at the CPU PCBA via a
single connector, P100, at 18 VDC.
P901
BACKLIGHT
CONTROL
EXT. P.S. / BATTERY
INPUT
COMPARATOR
SLOW
POWER-ON
+12 V LINEAR
REGULATOR
EXTERNAL P.S.
INPUT
BATTERY B
BATTERY A
LINEAR 5 V
20 V
CHARGER PRE-
REGULATOR
BATTERY
CHARGER
LED FLASHER
+/- 12 V, -5 V
POWER
CONVERTER
+12 V
-12 V
-5 V
+20 V
SHUTDOWN
POWERFAIL
CPU &
POWER SUPPLY
MONITORING
STATUS
+5 V, +3.3 V
POWER
CONVERTER
+5 V
+3.3 V
A & B BATTERY
CHARGERS
CHARGER CPU
& POWER
CONVERTER
OVER-CURRENT
PROTECTION
FRONT
PANEL LEDS
{
RECORDER
POWER +15 V
SLOW
TURN-ON
+5 V
+3.3 V
+15 V
+12 V
-12 V
-5 V
P100
P200
BATTERY FAULT
DIGITAL
POT
+18 VDC
ON/OFF
SWITCH
POWER SUPPLY SECTION
175-1508-01
175-1611-00
OR
91369 (10")
91370 (12.1")