EasyManua.ls Logo

Spitronics TITAN Standard - 4.7 Idle Control; 4.7.1 Stepper Idle Valve Computer; 4.7.2 Throttle Adjustment

Spitronics TITAN Standard
79 pages
Print Icon
To Next Page IconTo Next Page
To Next Page IconTo Next Page
To Previous Page IconTo Previous Page
To Previous Page IconTo Previous Page
Loading...
Yellow GP Output 1
Green GP Output 2
R
e
la
y
R
e
d
B
lu
e
R
e
d
Red
87
87a
30
85
86
1 2
Yellow
Green
P
C
P
lu
g
EMU
Controler
+
-
12V Battery
R1+
R2+
Power Relay for Fuel Pump + Coils
15A
Idle Valve
Diode
1N4007
Green
B
lu
e
To Fan etc
From Fuse Box
1 x Single Coil with Spring
Warning!
Make sure that the Diode stipe is on the right side
as damage will ocur if connected wrong.
Diode
1N4007
Ign+
This Diode will prevent current feedback
from the Idle vave which will keep the
EMU running when switched off
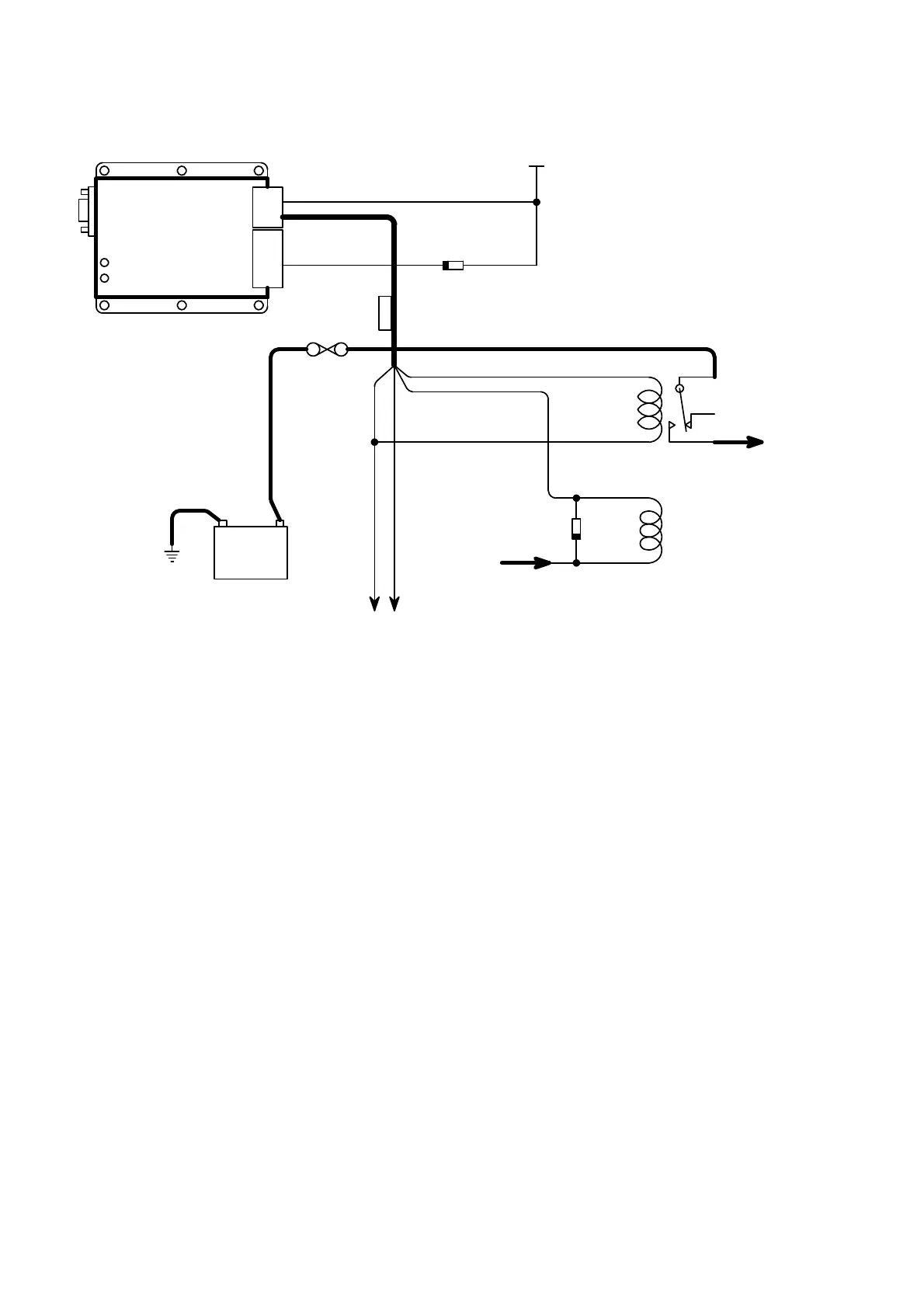
4.7.1 Stepper Idle Valve Computer
This stepper controller has two types for the two different motors. Bi-Polar Type 2, and 4 Coil
Common Type 1.
This controller is connected to ignition 12V (Red wire), earth (Black wire) and the ECU GP output
2 (Green wire). Only on the Lexus it is connected to the green RPM output. Then it has 5 wires
which connect to the stepper motor of the idle valve. Note however the screen wire in the cable is
connected to 12V ignition and not earth as normal. This is due that there are only 4 wires in the
cable. See the different wiring diagrams on the CD.
On the idle controller is a LED. When the ignition is switched on the led will be on for a second. If
the engine is started the LED will flash indicating that the ECU request for the idle valve to open or
close. As soon as the set RPM in the PC software is reached the LED will stop flashing and go off.
If RPM’s are more or less than the set point, the LED will flash again. Note that the TPS must be
calibrated and the throttle must be in closed position (0%) for idle control to be activated. If the
RPM’s fall below the set point, the ECU will pick it up immediately regardless of the TPS setting.
4.7.2 Throttle Adjustment
The throttle must be adjusted mechanically to let the engine idle at 100 RPM’s below the Idle RPM
at normal operating temperature. This will ensure that the engine always have enough air to keep
idling to a minimum, even if the idle valve is completely shut. To do this you can blank the air
intake to the idle valve or stepper motor off and adjust the mechanical position of the throttle. Or
you can enter a value of 100 RPM below mechanical idle RPM into the PC software at Idle RPM
so that the idle control does not interfere with adjustments. Then adjust the throttle to the desired
value. Reset the PC Idle RPM to the normal RPM’s again. The engine must be hot and in neutral
or park for this adjustment.

Related product manuals