EasyManua.ls Logo

ST STDES-50W2CWBC - Schematic Diagrams; Figure 12. STDES-50 W2 CWBC Circuit Schematic (1 of 4)

ST STDES-50W2CWBC
26 pages
Print Icon
To Next Page IconTo Next Page
To Next Page IconTo Next Page
To Previous Page IconTo Previous Page
To Previous Page IconTo Previous Page
Loading...
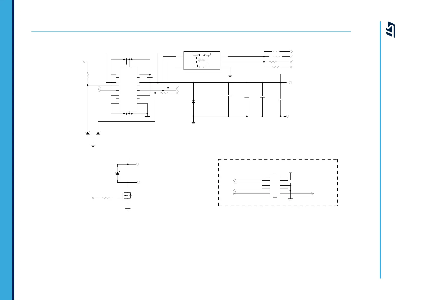
5 Schematic diagrams
Figure 12. STDES-50W2CWBC circuit schematic (1 of 4)
FAN CONTROL
STLINK V3
ESDESD
ESDESD
1
DP1
2
DM 1
3
G ND
6
DP2
5
DM 2
4
NC
D102
ECM F02-2 A M X 6
R102 10 R
R100 NP
D100
ESDA25P35-1U1 M
R101 10 R
B12
G ND
B11
RX+1
B10
RX-1
B9
VBUS
B8
SBU2
B7
B5
B4
A12
B3
SBU1
VBUS
RX-2
RX+2
G ND
B2
B1
A1
G ND
A2
D-
2
D+2
CC2
VBUS
TX-2
TX+2
G ND
TX+1
A3
TX-1
A4
VBUS
A5
CC1
A6
D+1
A7
D-1
A8
A9
A10
A11
G ND1
G ND
G ND2
G ND
G ND3
G ND
B6
G ND4
G ND
SH1
G ND
SH2
G ND
SH3
G ND
SH4
G ND
J100
632723 3 00011
R107
0 R
R106
0 R
R103 NP
C100
X7R
50V
100NF
D104
BAT30KFILM
NTR4003NT1G
3
D
1
G
2
S
Q 100
N-
M O S
R108
0 R
C101
X7S
50V
10UF
C102
X7S
50V
10UF
TP101
TP100
TP102
TP103
2
1
3
D103
ESDALC6V1M3
C104
X7R
50V
33NF
2
4
8
10
1
3
5
7
9
11
6
13
12
14
J101
FTSH-107-01-L-DV-K-A
VIN
USB_DP
USB_DM
USB_D+
USB_D-
UART_TX
UART_RX
USB_D+
USB_D-
USB_CC2
USB_CC1
VBUCK
FAN
3V3
SW DIO
SW CLK
UART_RX
UART_TX
NRESET
TN1399 - Rev 1
page 12/26
TN1399
Schematic diagrams

Related product manuals