EasyManua.ls Logo

Staubli TX Series - Page 30

Staubli TX Series
84 pages
Print Icon
To Next Page IconTo Next Page
To Next Page IconTo Next Page
To Previous Page IconTo Previous Page
To Previous Page IconTo Previous Page
Loading...
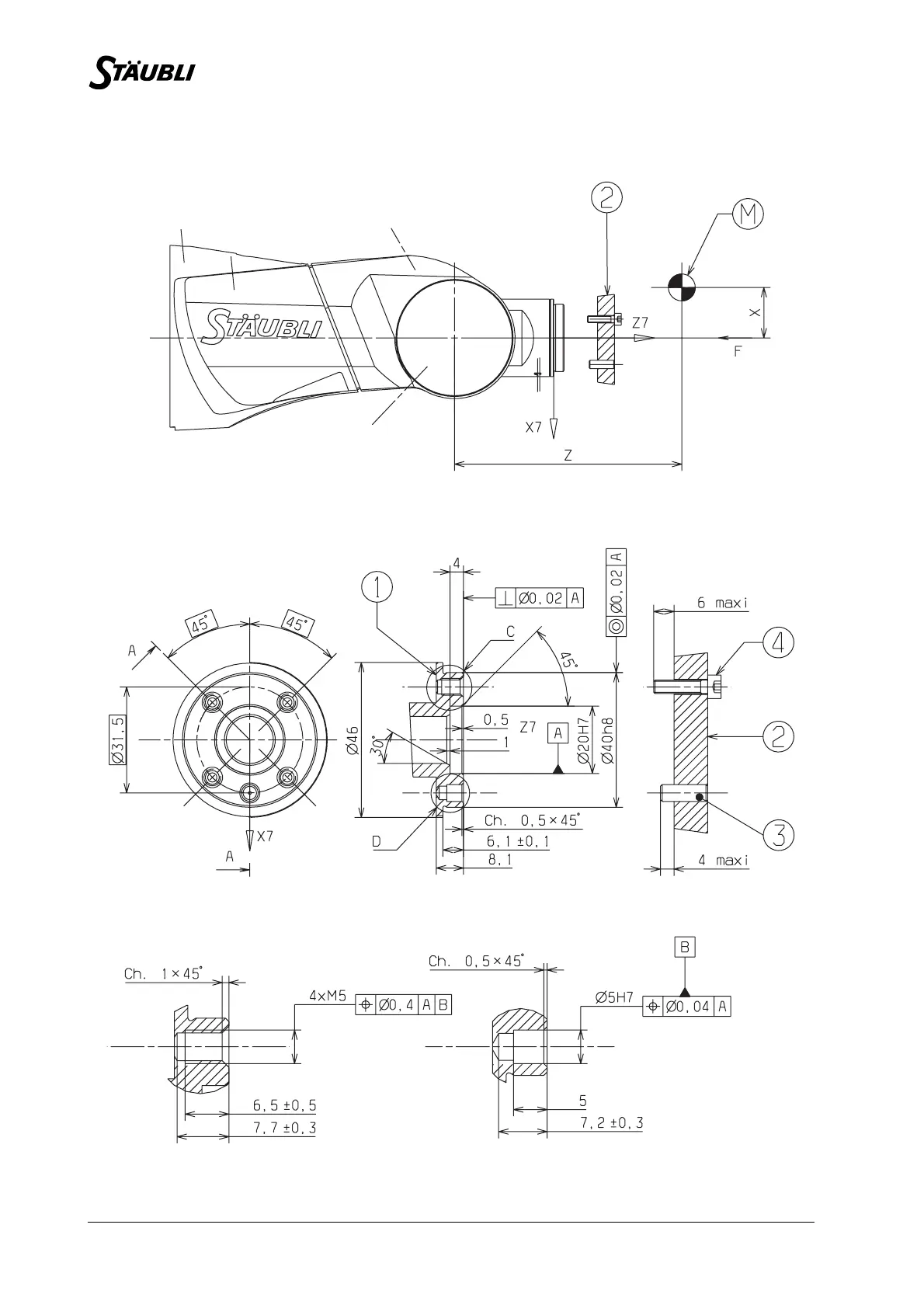
30 D28065504A - 02/2007
Figure 2.6
VIEW ALONG G
SCALE : 1:1
SECTIONAL VIEW : A-A
SCALE : 2:1
DETAIL : D
SCALE : 2:1
DETAIL : C

Table of Contents

Related product manuals