EasyManua.ls Logo

Staubli TX Series - Page 50

Staubli TX Series
84 pages
Print Icon
To Next Page IconTo Next Page
To Next Page IconTo Next Page
To Previous Page IconTo Previous Page
To Previous Page IconTo Previous Page
Loading...
50 D28065504A - 02/2007
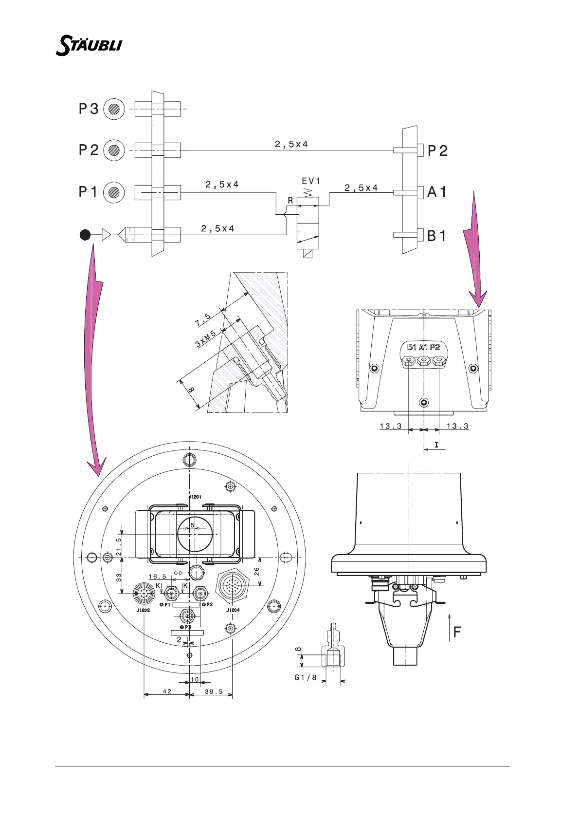
Figure 2.16
Arm - Vertical cable outlet
0.6 MPa / 87 PSI
0.002 MPa / 0.29 PSI
VIEW F
Sectional view I - I
Sectional view K - K

Table of Contents

Related product manuals