EasyManua.ls Logo

Steinberg UR44 - Page 36

Steinberg UR44
39 pages
Print Icon
To Next Page IconTo Next Page
To Next Page IconTo Next Page
To Previous Page IconTo Previous Page
To Previous Page IconTo Previous Page
Loading...
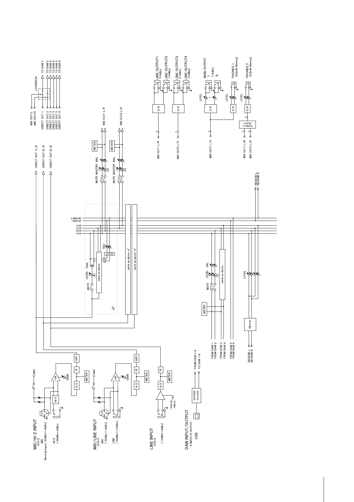
Appendix
UR44 Operation Manual 36
UR44 – 176.4/192 kHz

Other manuals for Steinberg UR44

Related product manuals