EasyManua.ls Logo

Stryker 1550 - Page 48

Stryker 1550
132 pages
Print Icon
To Next Page IconTo Next Page
To Next Page IconTo Next Page
To Previous Page IconTo Previous Page
To Previous Page IconTo Previous Page
Loading...
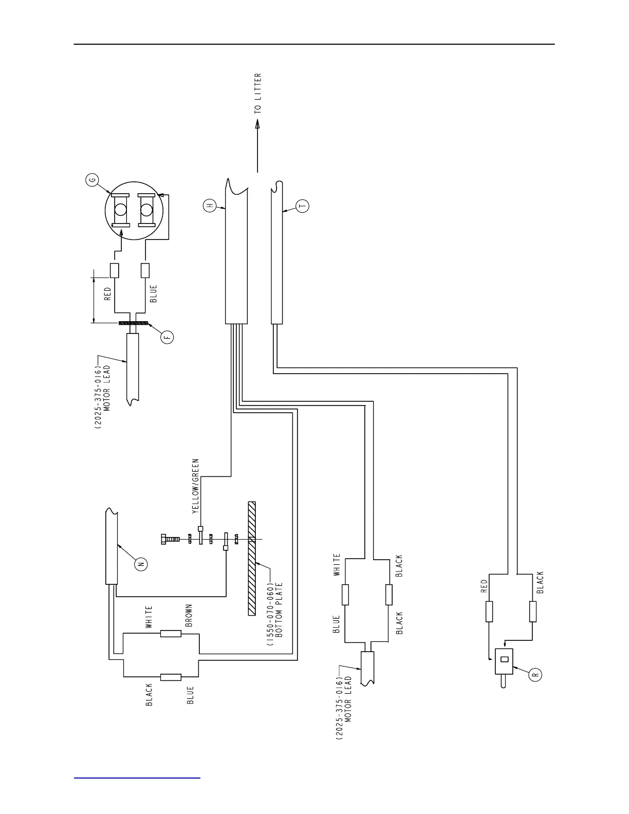
Electric Lift Base Assembly
46
HEAD END
GRD
Return to Table of Contents

Table of Contents

Other manuals for Stryker 1550

Related product manuals