EasyManua.ls Logo

Suzuki DF25 - Wiring Diagram - Electric Starter Model; Wire Color Code Chart

Suzuki DF25
140 pages
Print Icon
To Next Page IconTo Next Page
To Next Page IconTo Next Page
To Previous Page IconTo Previous Page
To Previous Page IconTo Previous Page
Loading...
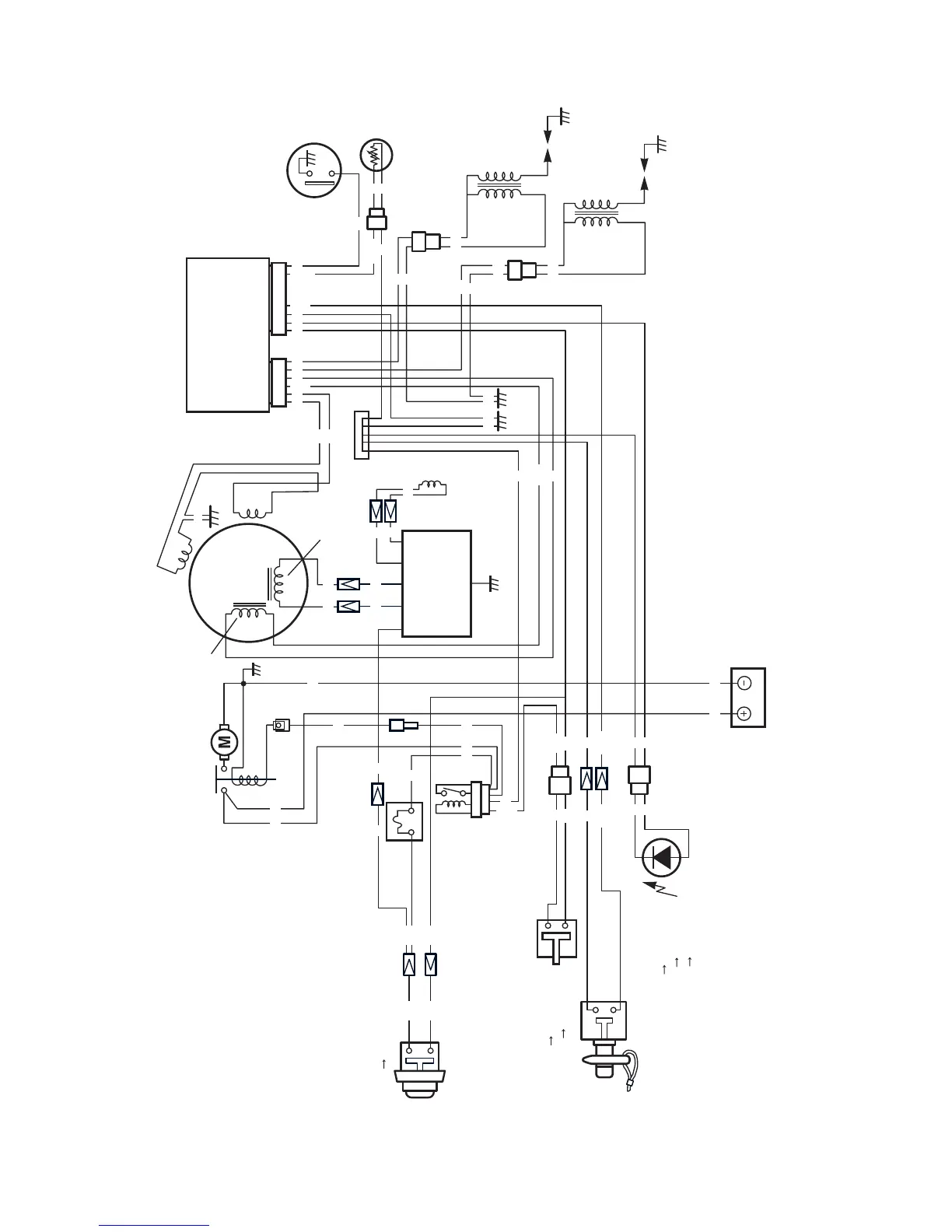
DF25E (ELECTRIC STARTER MODEL)
CAUTION LAMP
CDI UNIT
IGNITION
COIL # 1
IGNITION
COIL # 2
MAGNETO
EMERGENCY STOP & ENGINE STOP SWITCH
Emergency stop switch: Lock plate IN RUN
Lock plate OUT STOP
Engine stop switch: Button pushed STOP
NEUTRAL SWITCH
N ON
F. R OFF
CYLINDER
TEMP. SENSOR
OIL PRESSURE SWITCH
PULSER COIL
# 1
PULSER
COIL
#2
RECTIFIER
& REGULATOR
PTC
HEATER
FUSE 20A
O Bl
B
B
R
O
Bl
Bl
Br
Br
B
P
O
Y
Y
Y
R
Y
R
W
G
O
B
B
B
Y
R
Y
B
Y/G
B
P
B
P
B
Br
B
B
G
B/R
Bl/R
B
Bl/R
BLg/W
Lg/W
Bl/R
B/R
Y/G
B
B
B
Br
W
Bl
Bl
B
B
B
R
R
R
R
B
B
R
R
BATTERY
CHARGE
COIL
CONDENSER
CHARGE
COIL
WIRE COLOR
B : Black
Bl : Blue
Br : Brown
G : Green
O : Orange
P : Pink
R : Red
W : White
Y : Yellow
B/R : Black / Red
Bl/R : Blue / Red
Lg/W : Light green / White
W/R : White / Red
Y/G : Yellow / Green
STARTER
MOTOR RELAY
STARTER
MOTOR
BATTERY
12V 40AH or OVER
ENGINE START SWITCH
PUSH START
W/R
Br
W/R
W
Br
W W

Table of Contents

Related product manuals