EasyManua.ls Logo

swaploader SL-520X - Page 75

Default Icon
88 pages
Print Icon
To Next Page IconTo Next Page
To Next Page IconTo Next Page
To Previous Page IconTo Previous Page
To Previous Page IconTo Previous Page
Loading...
SectionV:Parts
5.0.PAR.SL-520X


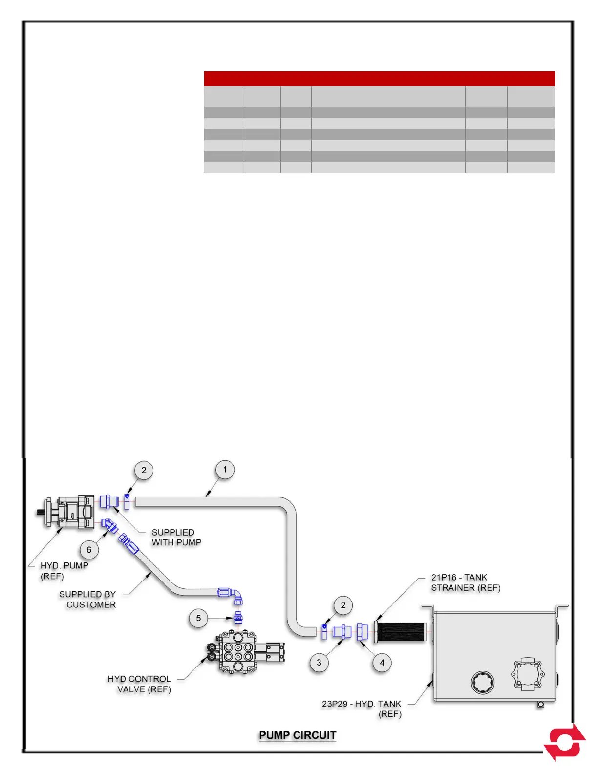
91H71 – PUMP CIRCUIT SL-520X
ITEM
PART
#
QTY DESCRIPTION
WT-
lb/ea.
WT-lb/all
1
11P71 1 Adp Hyd 16MJ/16MB 45 9.60
9.60
2
11P77 2 T-Bolt Clamp, 2 Dia 0.20
0.40
3
11P95 1 King Nipple, 1-1/2 Dia Stc-20 0.40 0.40
4
12P48 1 T-Bolt Clamp, 2 Dia 0.60 0.60
5
14P42 1 King Nipple, 1-1/2 Dia Stc-20 0.41 0.41
6
14P43 1 Adp Hyd 32MP/24FP 0.77 0.77
5-11

Related product manuals