EasyManua.ls Logo

Tait Orca 5000 - Page 101

Tait Orca 5000
125 pages
Print Icon
To Next Page IconTo Next Page
To Next Page IconTo Next Page
To Previous Page IconTo Previous Page
To Previous Page IconTo Previous Page
Loading...
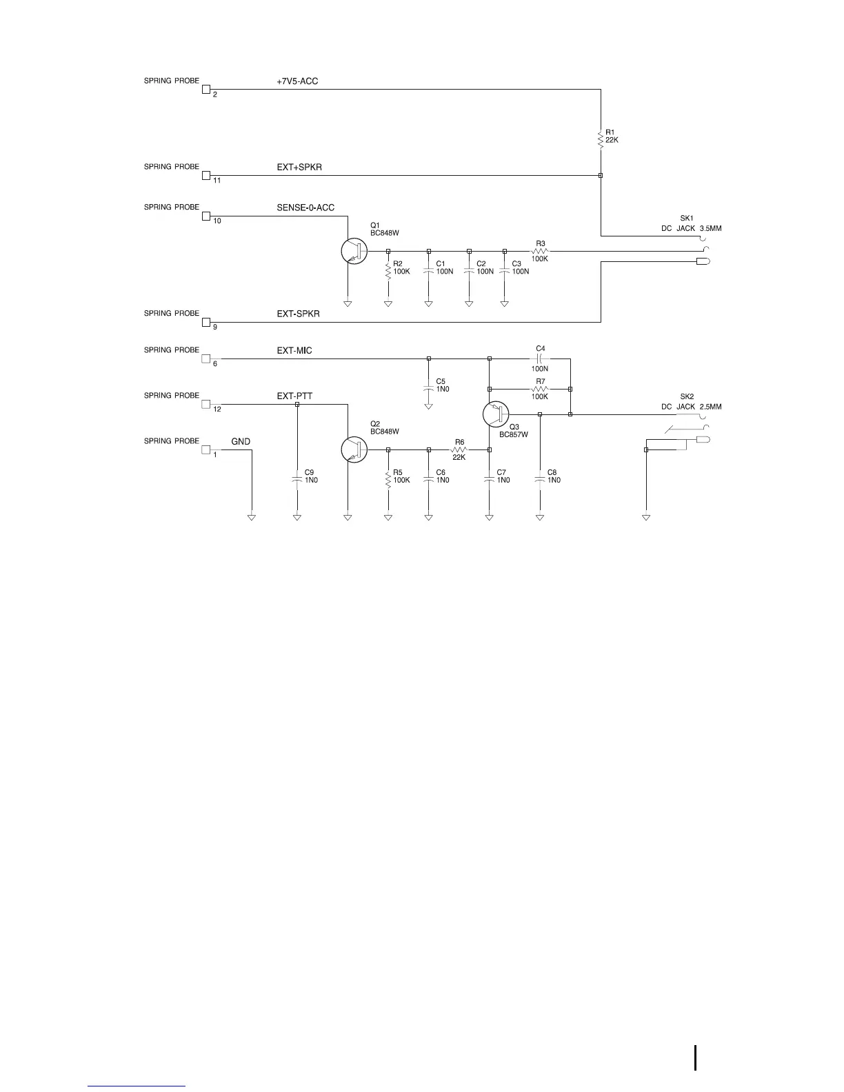
June 2003 IPN: M5000-00-105 7.5 mm Accessory adaptor F - 9
Figure F-5: Tait Orca 7.5 mm accessory adaptor circuit diagram

Table of Contents

Related product manuals