EasyManua.ls Logo

Tait Orca 5000 - Using the Trickle Charger; Repairing the Trickle Charger

Tait Orca 5000
125 pages
Print Icon
To Next Page IconTo Next Page
To Next Page IconTo Next Page
To Previous Page IconTo Previous Page
To Previous Page IconTo Previous Page
Loading...
June 2003 IPN: M5000-00-105 Desktop trickle charger E - 13
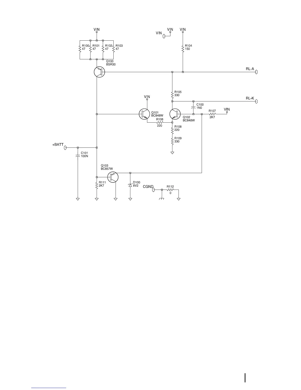
Figure E-6: Circuit diagram of the Tait Orca desktop trickle charger
Using the trickle charger
The trickle charger is not recommended for
NiMH battery packs, as they can take up to 24
hours to charge fully and the overall lifetime of
your battery may be reduced. Use a fast charg-
er instead.
The battery can be recharged attached to the
radio or as a separate unit. To charge the
battery pack using the trickle charger, make
sure the radio is turned off. Insert the battery/
radio into the charger. Make sure the indicator
on the charger glows red. If the indicator does
not glow red, check that the battery/radio is
seated properly and the charger is plugged in
correctly. The indicator will remain red until
the radio is removed from the charger.
The battery will be fully charged in about 16
hours. You can leave the battery in the charger
until you next need to use the radio. However,
leaving the battery in the charger for longer
than 24 hours is not recommended.
Repairing the trickle charger
For instructions on repairing the trickle charg-
er, refer to those for repairing the desktop fast
charger.
VIN = 12-18 VDC from T952-0X2
plug pack (12 VDC @ 1 A)
Dropout voltage = 11.5 V

Table of Contents

Related product manuals