EasyManua.ls Logo

Tait Orca 5000 - Page 112

Tait Orca 5000
125 pages
Print Icon
To Next Page IconTo Next Page
To Next Page IconTo Next Page
To Previous Page IconTo Previous Page
To Previous Page IconTo Previous Page
Loading...
F - 20 Tait Orca vehicle kit June 2003 IPN: M5000-00-105
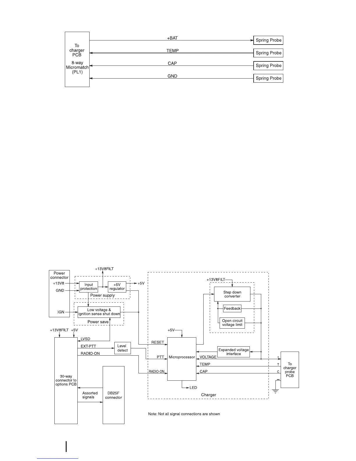
Figure F-11: Vehicle kit charger probe PCB block diagram
Vehicle kit charger probe PCB
(IPN 220-01564-xx)
This PCB provides the interface to the radio
battery for charging and is connected to the
charger PCB via an 8-way MicroMatch ribbon
cable. A block diagram of this PCB is shown in
Figure F-11.
Vehicle kit charger PCB
(IPN 220-01504-xx)
This PCB contains the fast charger circuit
module, the majority of the power supply
module and about half of the power save
module. A block diagram of this board is
shown in Figure F-12.
Current source
The switch mode current source is based
around a Maxim MAX1627 100% duty cycle,
high efficiency, step down DC-DC controller
(IC4). The core of the current source is a Buck
converter consisting of Q9, L2, C46, C47 and
D5. The feedback for the controller (IC4) is via
current sense resistors (R58, R59) and a differ-
ential amplifier (IC5:B).
In steady state, approximately 0.8 A flows
through R58 and R59, generating a voltage
which is amplified by the differential amplifi-
er, IC5:B. The output of this is fed into pin 2 of
IC4 (FB). The threshold of the feedback input
(IC4 pin 2) is 1.3 V, relative to VGND. When
the feedback signal on pin 2 is above 1.3 V, the
controller (IC4) turns off Q9. Similarly, when
the feedback signal is below 1.3 V, the control-
ler turns on Q9.
Figure F-12: Vehicle kit charger PCB block diagram

Table of Contents

Related product manuals