EasyManua.ls Logo

Tait Orca 5000 - Page 83

Tait Orca 5000
125 pages
Print Icon
To Next Page IconTo Next Page
To Next Page IconTo Next Page
To Previous Page IconTo Previous Page
To Previous Page IconTo Previous Page
Loading...
June 2003 IPN: M5000-00-105 Desktop fast charger E - 7
MICRO
IC2
68HC05P6
RESET
-RESET
IRQ
-IRQ
PA 7
PA 7
PA 6
PA 6
PA 5
PA 5
PA 4
PA 4
PA 3
PA 3
PA 2
PA 2
PA 1
PA 1
PA 0
PA 0
PB5/SDO
PB5/SDO
PB6/SDI
PB6/SDI
PB7/SCK
PB7/SCK
GND
GND
OSC1
OSC1
OSC2
OSC2
+V
+V
PC7/VRH
PC7/VRH
PC6/AN0
PC6/AN0
PC5/AN1
PC5/AN1
PC4/AN2
PC4/AN2
PC3/AN3
PC3/AN3
PC2
PC2
PC1
PC1
PC0
PC0
TCMP
TCMP
PD7/TCAP
PD7/TCAP
PD5
PD5
C6
1N0
R6
47K
R7
47K
R8
47K
C5
100N
R5
1K0
Q1
BC847W
Q2
BC847W
C7
33P
C8
33P
R9
1M0
R32
470
R33
330
D5
DUAL LED
CATHODE
ANODE RE D5
DUAL LED
CATHODE
ANODE GR
D2
4V7
R18
27K 0.5%
R14
47K
R15
10K 0.5%
C15
100N
R16
1K0
C16
18P
+
-
IC3
LM324D
G4 +
G4 -
G4 O/P
+
-
IC3
LM324D
G3 +
G3 -
G3 O/P
+
-
IC3
LM324D
G1 +
G1 -
G1 O/P
+
-
IC3
LM324D
G2 +
G2 -
G2 O/P
IC3
LM324D
V-
GND
V+
+V
R17
1K0
R20
100K%05
R21
1K0
C17
100N
R23
10K 0.5%
R39
1K0
R40
10K 0.5%
R37
10K 0.5%
R38
1M0
R35
100K%05
R36
100K%05
R49
100K%05
R48
100K%05
C20
100N
R46
27K 0.5%
R45
100K%05
R50
10K 0.5%
R41
1E
R42
1E
R55
10K 0.5%
C25
100N
R56
47K
C26
1N0
C1
1N0
R3
47K
C4
1N0
C2
100N
R2
1E
R1
1E
SK1
DC JACK 2.5MM
IC1
L4949
VS
1
CT
4
GND
5
RESET
6
SI
2
VOUT
8
VZ
3
SO
7
Q3
BC847W
+BATT
3.9MM BASE DIA
G
D
S
Q6
STP16NE06
S
G
D
Q4
MTP2955
XTAL
4M
R47
10K 0.5%
D1
22V
R19
220K
R43
1K0
D4
12V
SW1
TAC T
R22
10K 0.5%
R26
10K 0.5%
R24
47K
R25
47K
Q5
BCW70
HS1
TO-220 HEATSINK
1APS1
21
TA NT
C3
4U7
TA NT
C54
4U7
C10
100N
C11
100N
C21
100N
L1
BLM41P800
L2
BLM11B601S
L3
BLM11B601S
C201
1N0
D200
1N4001
C200
1N0
+
I/OPAD
-
I/OPAD
TEMP
3.9MM BASE DIA
CAP
3.9MM BASE DIA
GND
3.9MM BASE DIA
+5V
+5V
VCC
+5V
+5V
+5V
VCC
+5V
+5V
+5V
VCC
+5V
RL-A
RL-K
VIN
+BATT
VIN
RED GREEN
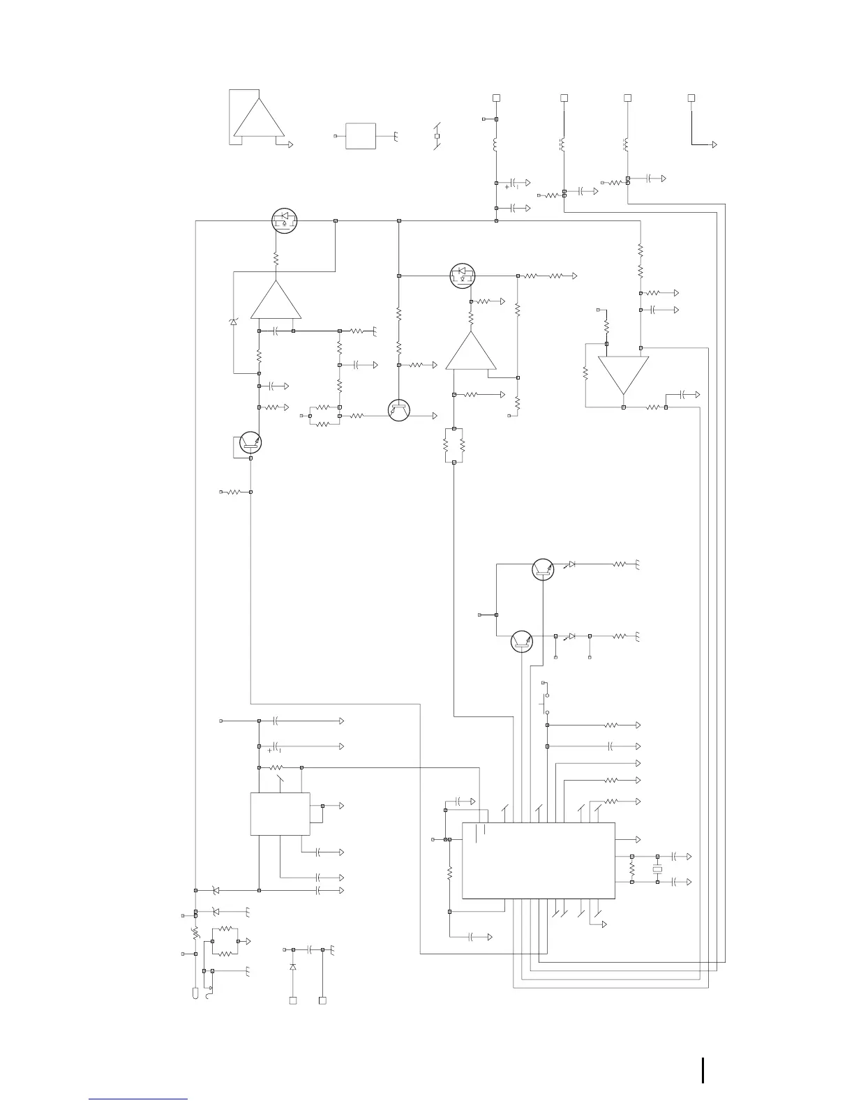
Figure E-2: Circuit diagram of the Tait Orca desktop fast charger

Table of Contents

Related product manuals