EasyManua.ls Logo

Tait TM8100 mobiles - Page 560

Tait TM8100 mobiles
620 pages
To Next Page IconTo Next Page
To Next Page IconTo Next Page
To Previous Page IconTo Previous Page
To Previous Page IconTo Previous Page
Loading...
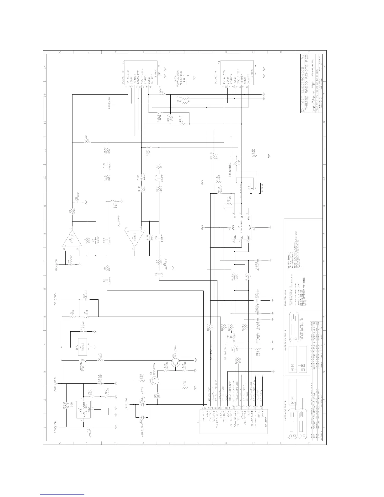
560 Installing an Enhanced Remote Kit TM8100/TM8200 Service Manual
© Tait Electronics Limited November 2007
Circuit Diagram

Table of Contents

Related product manuals