EasyManua.ls Logo

Tait TM8100 mobiles - Page 68

Tait TM8100 mobiles
620 pages
To Next Page IconTo Next Page
To Next Page IconTo Next Page
To Previous Page IconTo Previous Page
To Previous Page IconTo Previous Page
Loading...
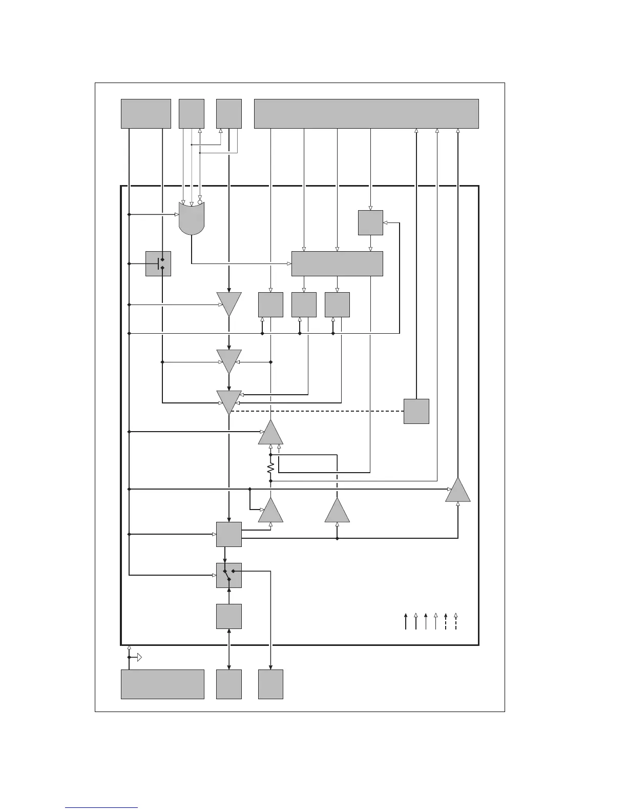
68 Circuit Descriptions TM8100/TM8200 Service Manual
© Tait Electronics Limited November 2007
Figure 3.2 Block diagram of the transmitter circuitry
RF
Connector
Receiver
LPF
Directional
Coupler
PA
Forward Power
Buffer Amplifier
Power
Control
PIN
Switch
Driver Exciter
Bias
Limiter
Shaper
and Level
Shifter
Shaper
and Level
Shifter
Crowbar
Shaping
Filter
Tempera-
ture
Sensor
Buffer Amplifier
TX RX RF
Thermal
Coupling
OR Gate
Switch
TX INH
+9V0 TX
+13V8 BATT
DIG TX INH
DIG SYN EN
SYN LOCK
SYN TX LO
Power
Supply
Digital
Board
Frequency
Synthesizer
CDC TX DRV BIAS
CDC TX FIN BIAS1
CDC TX FIN BIAS2
CDC TX PWR CTL
TX TEMP
TX FWD PWR
TX REV PWR
CODEC
and
Audio
Interface
AGND
Signal Types:
RF
analog
clock
digital
asynchronous serial data
synchronous serial data
Transmitter
Reverse Power
Buffer Amplifier
(40W/50W only)

Table of Contents

Related product manuals