EasyManua.ls Logo

TEL AFA4000/E - Page 150

TEL AFA4000/E
210 pages
Print Icon
To Next Page IconTo Next Page
To Next Page IconTo Next Page
To Previous Page IconTo Previous Page
To Previous Page IconTo Previous Page
Loading...
AFA4000/E VAV Airflow Controller / p.150
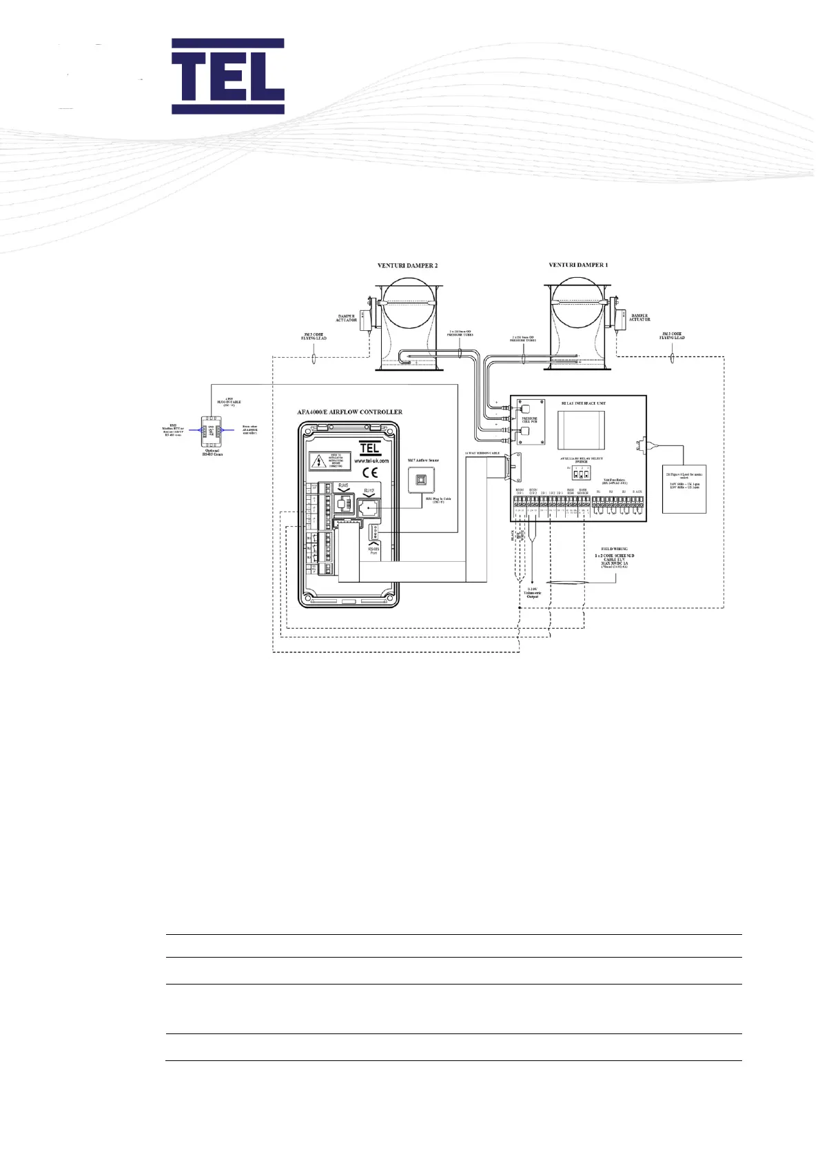
Figure 70: Connection diagram Wide fume cupboard
To set up the Volume Pressure output using the pushbutton menus:
1. Navigate to Main Menu > Set up Monitor > Configure.
Note: The Configure menu is password protected. The default password is 0 0 0 0.
Press the and arrows to scroll through the menu list and press Mute to select the
required option.
2. Select Input 2 > Analogue > Volume Pressure.
3. Select Dual Output > Volume Pressure.
4. Use the and arrows to select the Volume Pressure parameter and press Mute. The
Volume Pressure settings sub-menu displays:
Parameter
Description
Range
Input range
Input range from pressure cell
0 - 50, 100, 250, 500
Output range
Volumetric Output volume range for
0 - 10 Vdc
0 - 1000 l/sec
Input filter
Time average filter
1 to 100 seconds

Table of Contents