EasyManua.ls Logo

TEL AFA4000/E - Installing and Aligning the under Sash Sensor

TEL AFA4000/E
210 pages
Print Icon
To Next Page IconTo Next Page
To Next Page IconTo Next Page
To Previous Page IconTo Previous Page
To Previous Page IconTo Previous Page
Loading...
AFA4000/E VAV Airflow Controller / p.82
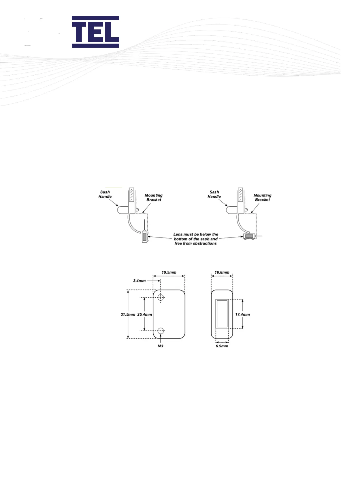
6.4 Installing and aligning the Under Sash sensor
The Under Sash Sensor consists of two components:
Sash Sensor
Retro-reflective Tape Strip
1. Fit the sensor so that its lens is clear of obstructions and below the bottom of the sash
handle.
Figure 46: Under sash sensor mounting
Figure 47: Under sash sensor dimensions
Use a suitable bracket so that the sensor position can be adjusted to the required position.
2. Fix the 5 m cable, which is attached to the sensor, to the sash wire using cable ties. Attach
the 5 m cable to the sash counterweight to keep the cable taught as the sash opens or
closes.
Encase the cable from the sash counterweight to the sash controller box can in plastic
sheathing to guide the cable slack and stop it from snagging.
When it is not possible to fix the cable to the sash wire, use small diameter trunking to attach
the cable to the sash.

Table of Contents