EasyManua.ls Logo

TEL AFA4000/E - 9 Auxiliary Features and Connections; Dual Set Point (Occupancy) Operation

TEL AFA4000/E
210 pages
Print Icon
To Next Page IconTo Next Page
To Next Page IconTo Next Page
To Previous Page IconTo Previous Page
To Previous Page IconTo Previous Page
Loading...
AFA4000/E VAV Airflow Controller / p.166
9. Auxiliary features and connections
9.1 Dual set point (occupancy) operation
The Dual Set Point function operates with a PIR occupancy sensor, enabling the controller to
operate to a lower Econ control velocity set point and reduced alarm points when the fume
cupboard is unoccupied.
When the dual set point function is active, the controller displays High Set Point, Low Set Point
or Manual above the output status bar graph, indicating the current occupancy condition.
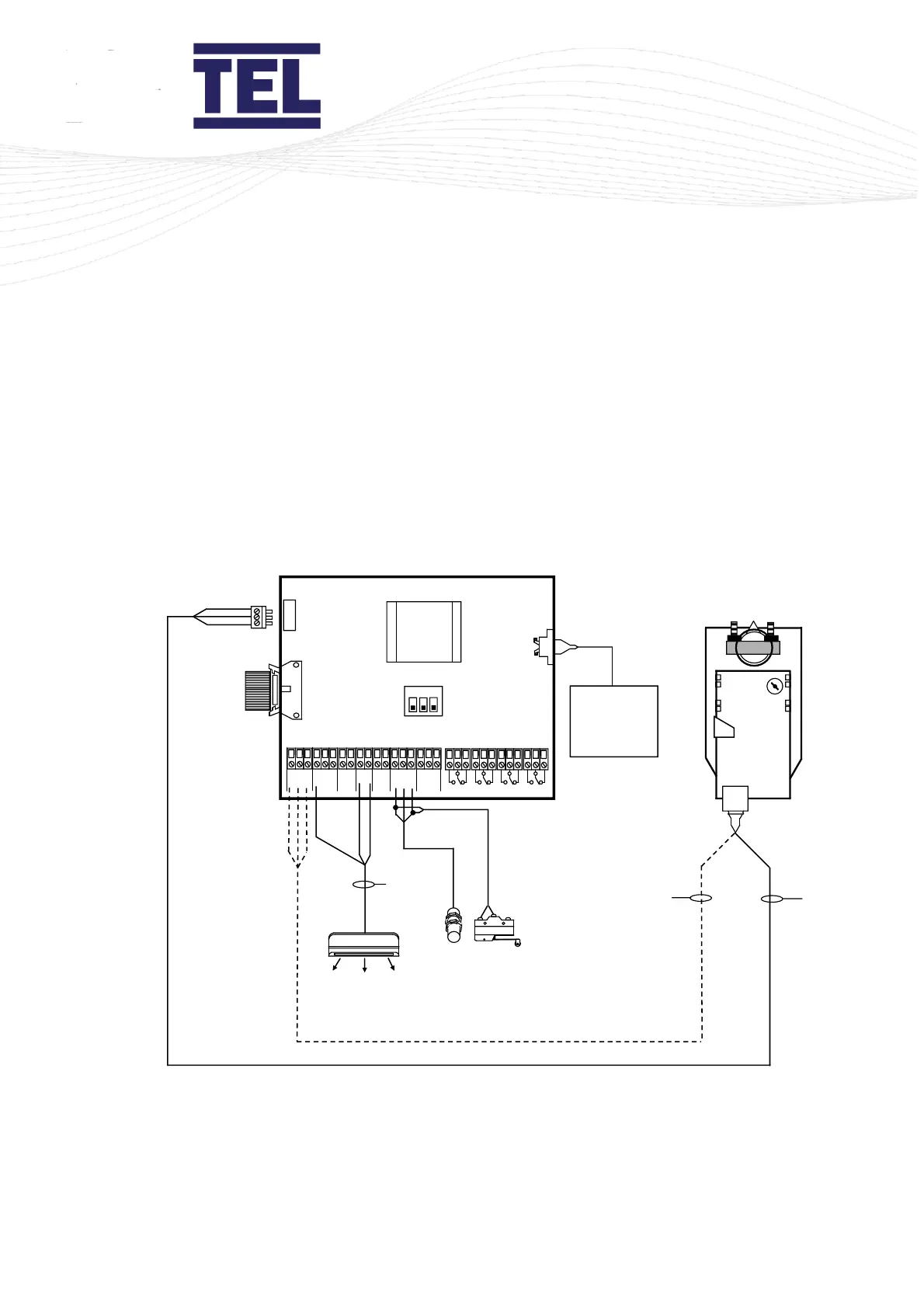
Figure 73: Typical connection diagram
Press the and arrows to scroll through the menu list and press Mute to select the required
option.
Figure 8 Lead for mains
socket.
240V 50Hz -- UK 3-pin
120V 60HZ -- US 2-pin
0 24 10 0 24 10 SW +V SW +V SW +V BN BL BK Y BK R
+V 0V SW W Z S
RELAY INTERFACE UNIT
Volt Free Relays
(10A 240VAC AC1)
R1 R2 R3 R AUX
ECON ECON SASH SASH
O/P 1 O/P 2 I/P 1 I/P 2 I/P 3 HIGH SENSOR
ON 1 2 3
AUXILLIARY RELAY SELECT
SWITCH
RED
BLACK
WHITE
Sash High
Micro or Proximity switch
(Optional)
Fume Cupboard
Damper Actuator
3M 3 CORE
FLYING LEAD
ELV
FOR PLUG IN
CONNECTION
TO
AFA1000
RED
BLACK
WHITE
3M 3 CORE
FLYING LEAD
ELV
FOR HARD WIRED
CONNECTION
*WITH JUNCTION BOX
FOR DISTANCES MORE
THAN 3M AWAY FROM
RELAY INTERFACE BOX
ACTUATOR
SOCKET (3 WAY)
PERSONNEL SENSOR
BLACK
GREEN
RED & WHITE
2M
FLYING LEAD

Table of Contents