EasyManua.ls Logo

TEL AFA4000/E - Optional Input Function - Close Sash Alarm

TEL AFA4000/E
210 pages
Print Icon
To Next Page IconTo Next Page
To Next Page IconTo Next Page
To Previous Page IconTo Previous Page
To Previous Page IconTo Previous Page
Loading...
AFA4000/E VAV Airflow Controller / p.171
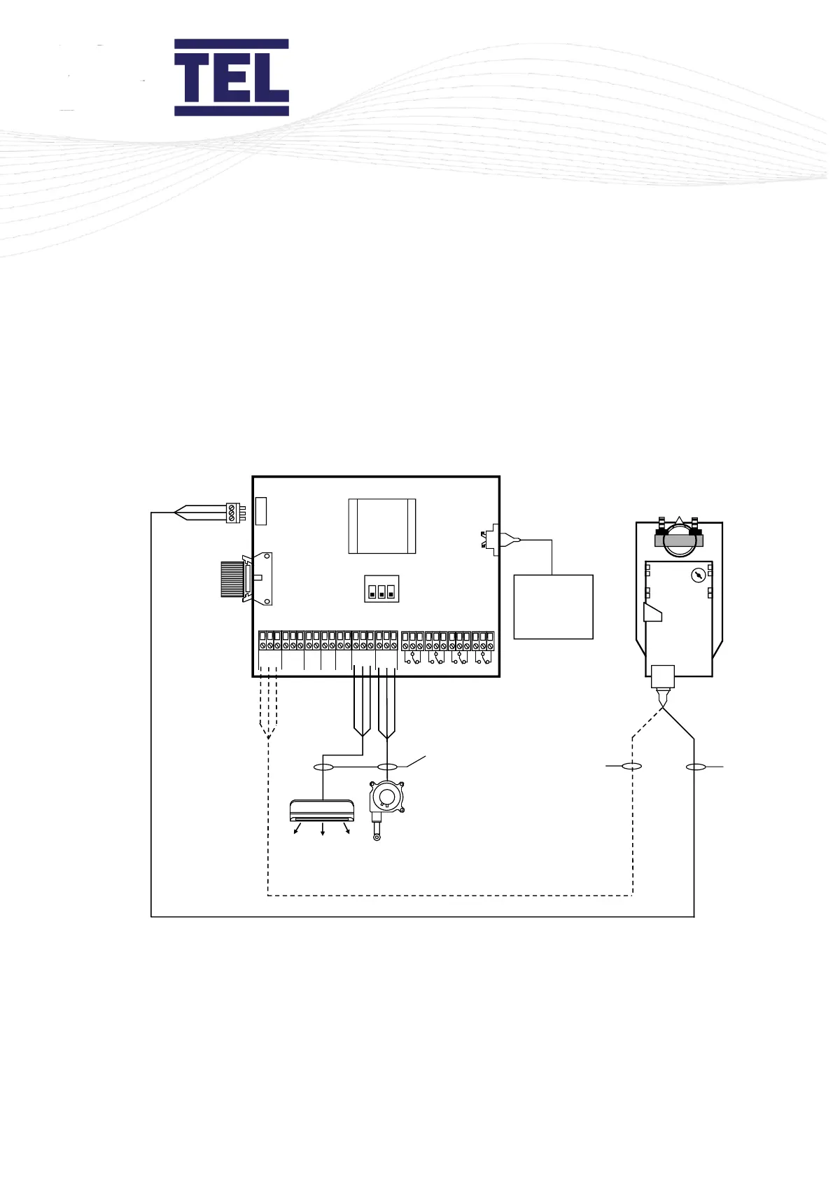
9.3 Optional input function close sash alarm
A Close Sash alarm informs the user that the fume cupboard sash has been left open. The alarm
can be set with a time delay before activation, this allow the user to briefly leave the fume
cupboard sash open. The alarm can be set to repeat if the sash is left open for prolonged
periods.
The alarm function uses a PIR sensor and uses the sash position sensor to monitor the sash
height.
Figure 75: Typical connection diagram with sash position sensor
To Setup the Close Sash Alarm with a sash position sensor:
Press the and arrows to scroll through the menu list and press Mute to select the required
option.
2M
FLYING LEADS
Figure 8 Lead for mains
socket.
240V 50Hz -- UK 3-pin
120V 60HZ -- US 2-pin
0 24 10 0 24 10 SW +V SW +V SW +V BN BL BK Y BK R
+V 0V SW W Z S
RELAY INTERFACE UNIT
Volt Free Relays
(10A 240VAC AC1)
R1 R2 R3 R AUX
ECON ECON SASH SASH
O/P 1 O/P 2 I/P 1 I/P 2 I/P 3 HIGH SENSOR
ON 1 2 3
AUXILLIARY RELAY SELECT
SWITCH
RED
BLACK
WHITE
Fume Cupboard
Damper Actuator
3M 3 CORE
FLYING LEAD
ELV
FOR PLUG IN
CONNECTION
TO
AFA1000
RED
BLACK
WHITE
3M 3 CORE
FLYING LEAD
ELV
FOR HARD WIRED
CONNECTION
*WITH JUNCTION BOX
FOR DISTANCES MORE
THAN 3M AWAY FROM
RELAY INTERFACE BOX
ACTUATOR
SOCKET (3 WAY)
SASH
POSITION
SENSOR
(INPUT 2)
YELLOW
BLACK
RED
PERSONNEL SENSOR
(INPUT 3)
BLACK
GREEN
RED & WHITE

Table of Contents