EasyManua.ls Logo

TEL AFA4000/E - Page 176

TEL AFA4000/E
210 pages
Print Icon
To Next Page IconTo Next Page
To Next Page IconTo Next Page
To Previous Page IconTo Previous Page
To Previous Page IconTo Previous Page
Loading...
AFA4000/E VAV Airflow Controller / p.176
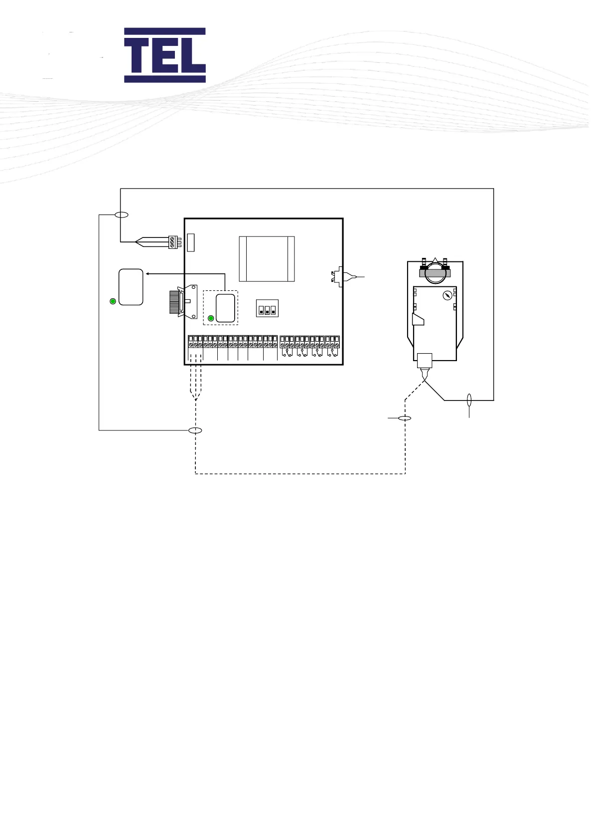
Figure 77: Fail-safe component location and outputs
Super Cap
LED
2
FAIL SAFE
COMPONENTS
0 24 10 0 24 10 SW +V SW +V SW +V BN BL BK Y BK R
+V 0V SW W Z S
RELAY INTERFACE UNIT
Volt Free Relays
(10A 240VAC AC1)
R1 R2 R3 R AUX
ECON ECON SASH SASH
O/P 1 O/P 2 I/P 1 I/P 2 I/P 3 HIGH SENSOR
ON 1 2 3
AUXILLIARY RELAY SELECT
SWITCH
ACTUATOR
SOCKET (3 WAY)
RED
BLACK
WHITE
Fume Cupboard
Damper Actuator
3M 3 CORE
FLYING LEAD
ELV
FOR HARD WIRED
CONNECTION
*WITH JUNCTION BOX
FOR DISTANCES MORE
THAN 3M AWAY FROM
RELAY INTERFACE BOX
RED
BLACK
WHITE
3M 3 CORE
FLYING LEAD
ELV
FOR PLUG IN
CONNECTION
FAIL SAFE OUTPUTS

Table of Contents