EasyManua.ls Logo

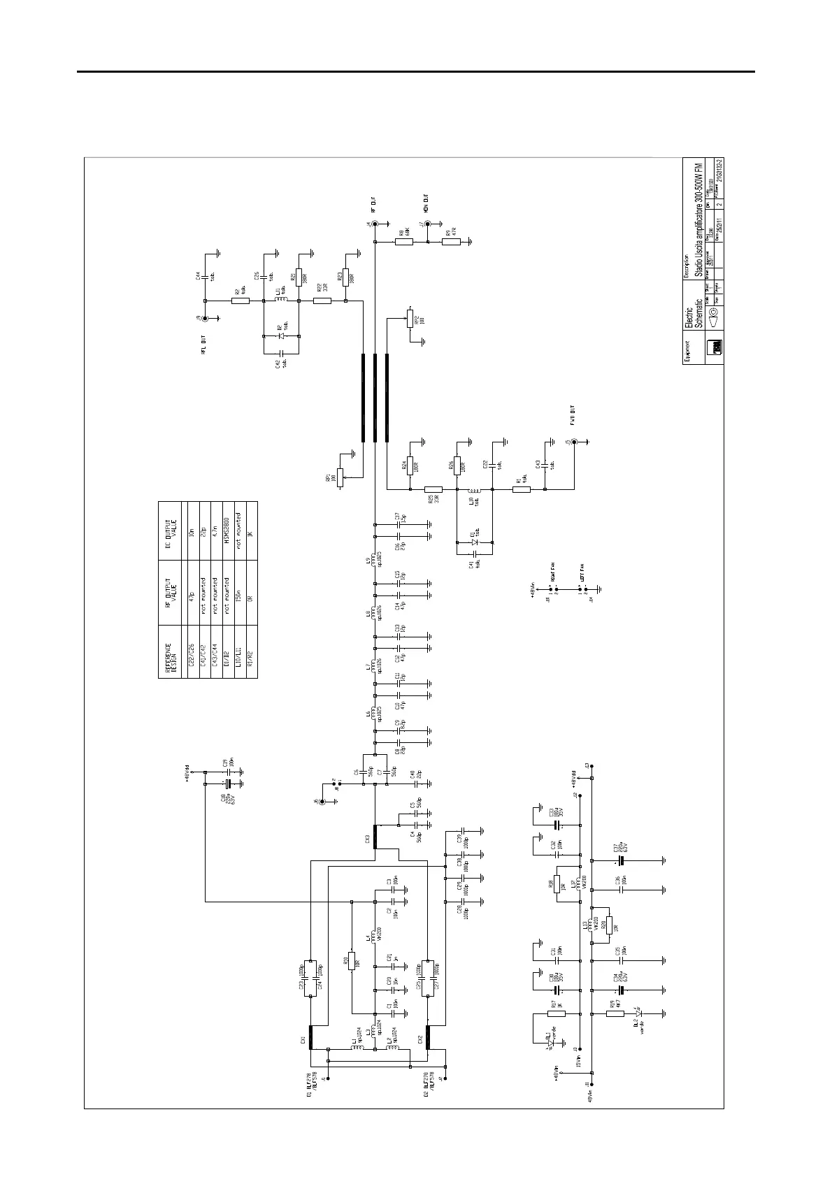
TEM Opera Plus Series - 13 M31321 A RF High Gain Amplifier Output Board - Schematic Diagram

TEM Opera Plus Series
131 pages
Print Icon
To Next Page IconTo Next Page
To Next Page IconTo Next Page
To Previous Page IconTo Previous Page
To Previous Page IconTo Previous Page
Loading...
TEM A07EXXXX – 1 Unit Transmitters Page 110
13M31321A RF High Gain Amplifier Output Board - Schematic Diagram
S.O.A3
2:1

Table of Contents