EasyManua.ls Logo

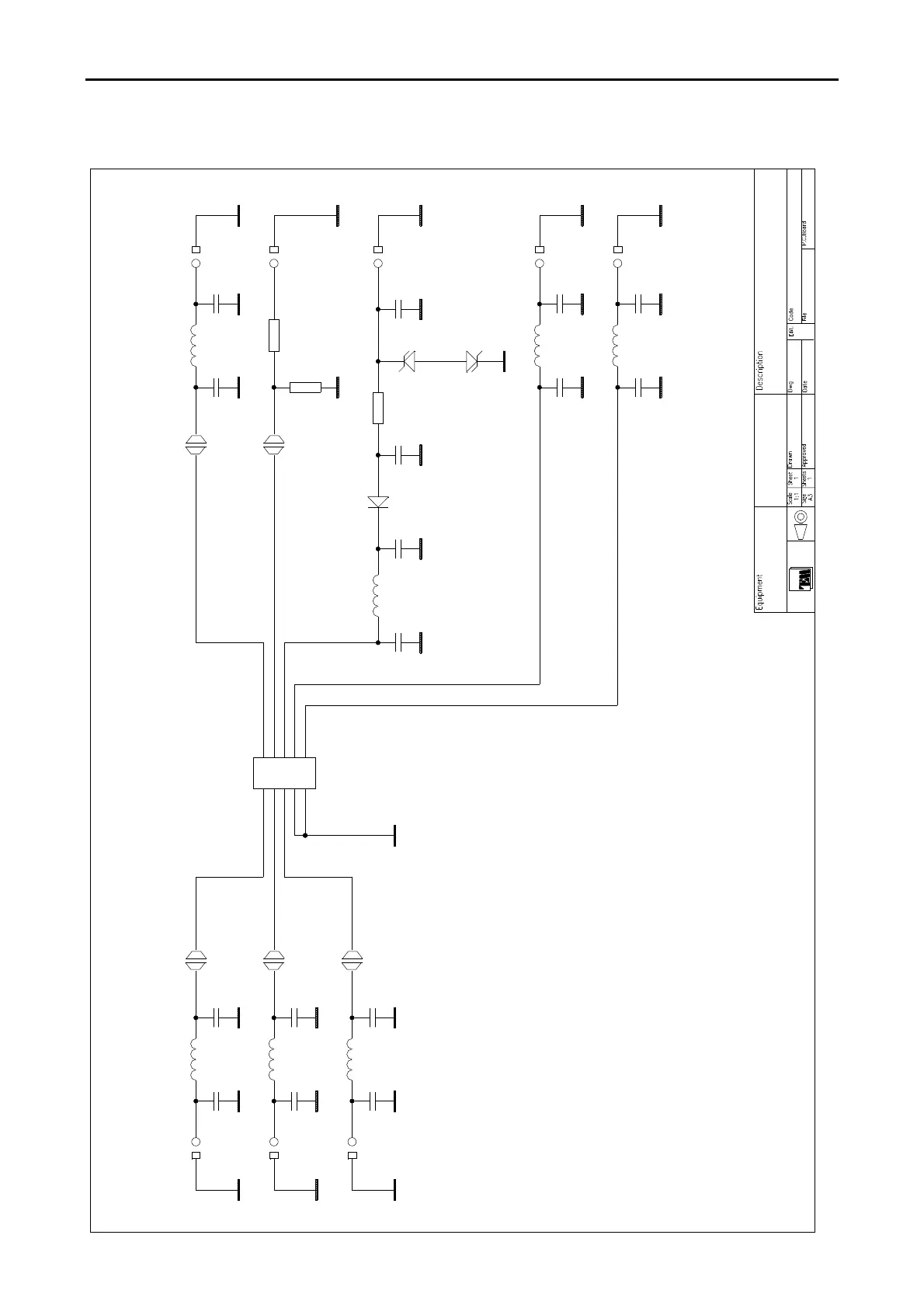
TEM Opera Plus Series - 13 M31790 RF High Gain Amplifier Easy Interface - Schematic Diagram

TEM Opera Plus Series
131 pages
Print Icon
To Next Page IconTo Next Page
To Next Page IconTo Next Page
To Previous Page IconTo Previous Page
To Previous Page IconTo Previous Page
Loading...
TEM A07EXXXX – 1 Unit Transmitters Page 113
13M31790 RF High Gain Amplifier Easy Interface – Schematic Diagram
Schematic
ST
AF
33330
30.06.14
13M31790
Interfaccia Easy Controllo segnali Amplificatore
G3179-0
C8
J1
+
1
+
3
+
5
+
7
+
9
+
2
+
4
+
6
+
8
+
10
JP8
V
21
JP4
NTC
21
JP5
NC1
2 1
C11
D1A
13
R2
R3
C3 C4
R1
JP1
UNB
2 1
C5
L6
C12
C13
C6
C14
JP2
1 2
JP10
1 2
JP11
GATE
21
L5
DZ2
13
JP7
1 2
C10
DZ1
1 3
JP12
RFL
21
C9
L7
L2
JP9
NC2
2 1
C15
L3
L1
C16
C1
L4
C2
JP6
1 2
C7
JP13
FWD
21
JP3
1 2

Table of Contents