EasyManua.ls Logo

TEM Opera Plus Series - 13 M31810 RF Current Amplifier Sensor - Part Placement Layout

TEM Opera Plus Series
131 pages
Print Icon
To Next Page IconTo Next Page
To Next Page IconTo Next Page
To Previous Page IconTo Previous Page
To Previous Page IconTo Previous Page
Loading...
TEM A07EXXXX – 1 Unit Transmitters Page 81
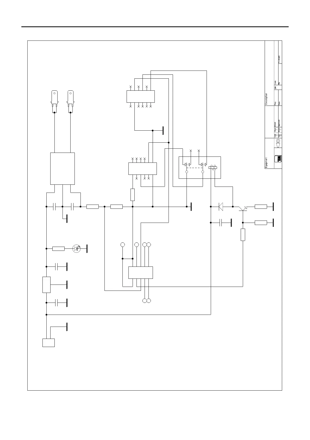
Schematic
ST
AF
33335
02.09.14
13M31810
Current Sensor
G3181-1
TP4
1
DL1
1 2
C1
R4
J6
1
2
TP5
1
TP2
1
R5
C3
R2
J4
+
13MPW-RSP-2000
+
+
+
+
+
+
13MPW-RSP-1000
+
+
+
+
+
R6
C2
J3
+
+
+
+
+
+
+
+
+
+
+
+
R7
TR1
2
1 3
IC2
VCC
1
GND
2
VIOUT
3
IP+
4
IP-
5
C4
TP1
1
J1
1
2
RL1
3
2
4
8
9
7
1
10
R1
TP3
1
R3
IC1
3
2
1
I
C
O
J2
+
1
+
3
+
5
+
7
+
9
+
2
+
4
+
6
+
8
+
10
J5
1
2
C5
TP6
1
D1
2 1
+24V
1
3
5
7
9
2
4
6
8
10
1
3
5
7
9
2
4
6
8
10
1112
1112
13M31810 RF Current Amplifier Sensor - Part Placement Layout

Table of Contents