EasyManua.ls Logo

TEM Opera Plus Series - 13 M31650 Front Panel Interface - Schematic Diagram

TEM Opera Plus Series
131 pages
Print Icon
To Next Page IconTo Next Page
To Next Page IconTo Next Page
To Previous Page IconTo Previous Page
To Previous Page IconTo Previous Page
Loading...
TEM A07EXXXX – 1 Unit Transmitters Page 70
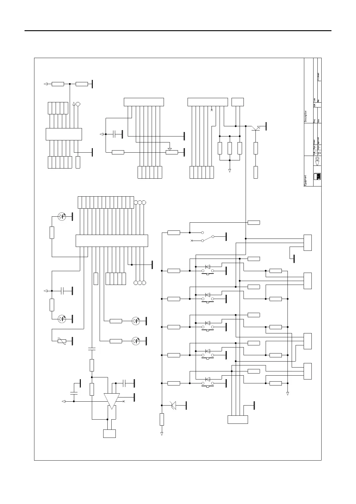
13M31650 Front Panel Interface - Schematic Diagram
Schematic
ST
AF
33311
02.07.14
13M31650
FRONT PANEL INTERFACE
G3165-1
J7
CONN4
1
2
3
4
TP5
1
DL1
LINE
21
R24
TP3
1
R12
J2
+
1
+
3
+
5
+
7
+
9
+
2
+
4
+
6
+
8
+
10
+
12
+
14
+
16
+
18
+
20
+
22
+
24
+
26
+
11
+
13
+
15
+
17
+
19
+
21
+
23
+
25
+
27
+
29
+
31
+
33
+
28
+
30
+
32
+
34
R26
IC1
LM4861
3
2
6
7
5 4
8
1
+
-
TP6
1
J11
1
2
3
R17
TP4
1
SW2
1
2
4
3
J10
1
2
3
R7
R16
R6
R8
R18
R21
TP1
1
R1
R13
J9
1
2
3
J6
1
2
DZ1
1 3
TP7
1
R5
SW3
1
2
4
3
C1
DL3
ONAIR
21
J8
1
2
3
R10
R4
C4
R20
NTC1 DL2
GSM
21
SW4
1
2
4
3
J4
1
2
3
4
5
6
7
8
9
R9
R19
C3
J5
10
11
12
13
14
15
16
17
18
R3
TP2
1
DL4
ALARM
21
SW5
1
2
4
3
R22
J3
1
2
TR1
1
2 3
R14 R15
R23
SW1
1
2
4
3
J1
+
1
+
3
+
5
+
7
+
9
+
11
+
13
+
2
+
4
+
6
+
8
+
10
+
12
+
14
+
16
+
15
C5
C2
R2
SW6
2
1
3
RV1
13
2
R25
+5V
+5V
+5V
+5V
+5V
+5V
+5V
+5V
LED_DISP
DOWN
LEFT
RIGHT
ENTER
ONAIR
D0
D1
D2
D3
D4
D5
D6
D7
UP
RS
E
RW
RES
UP DOWN LEFT RIGHT ENTER ONAIR
D1
D2
D0
RS
RW
E
D3
D4
D5
D6
D7
RES
LED_DISP
E2
D0
D1
D2
D3
D4
D5
D6
D7
E
RW
RS
E2
DISPLAY EA DIP204-4
ENCODER
DISPLAY WH4004A

Table of Contents