EasyManua.ls Logo

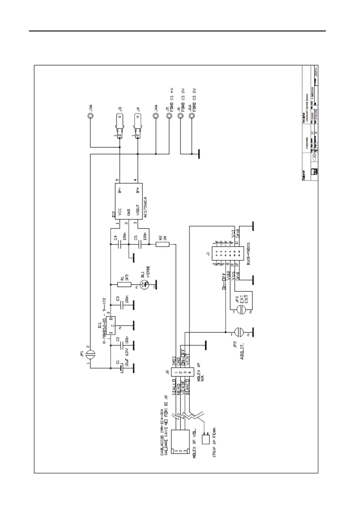
TEM Opera Plus Series - 13 M32110 Universal RF Current Amplifier Sensor - Schematic Diagram

TEM Opera Plus Series
131 pages
Print Icon
To Next Page IconTo Next Page
To Next Page IconTo Next Page
To Previous Page IconTo Previous Page
To Previous Page IconTo Previous Page
Loading...
TEM A07EXXXX – 1 Unit Transmitters Page 85
13M32110 Universal RF Current Amplifier Sensor - Schematic Diagram

Table of Contents