EasyManua.ls Logo

TEM Opera Plus Series - Page 52

TEM Opera Plus Series
131 pages
Print Icon
To Next Page IconTo Next Page
To Next Page IconTo Next Page
To Previous Page IconTo Previous Page
To Previous Page IconTo Previous Page
Loading...
TEM A07EXXXX – 1 Unit Transmitters Page 52
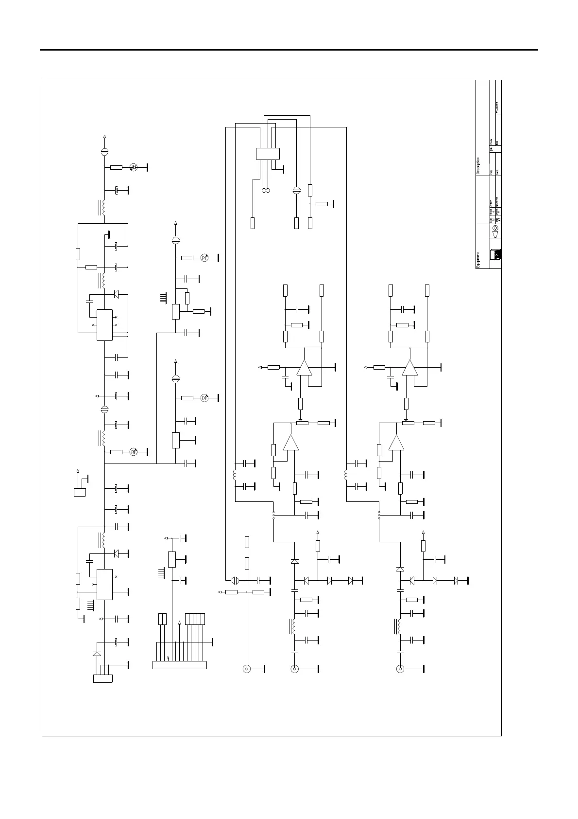
Schematic
ST
AF
33316
04.08.14
13M31660
FM Modulator mother board
G3166-1
C126
C204
C195
J4
1
2
R402
JP16
1 2
JP26
1 2
C210
TP14
1
IC25A
3
2
1
+
-
C111
R249
R254
C117
C127
JP19
1
2
3
R233
DL7
13
C119
C120
L13
R234
RV17
13
2
JP17
1 2
C100
100n
R232
DL1
13
C191
D14
1 3
D10
1 3
R247
R240
R260
R396
R253
IC23
8
6
7
9
5 1
4
23
IN OUT
GND EN
FB SS BOOST
RT/S
IC24A
3
2
1
+
-
R258
R262
D16
13
R248
R394
R246
C116
J24
+
1
+
3
+
5
+
7
+
9
+
2
+
4
+
6
+
8
+
10
D7
C112
R255
J12
RE_FRW
C192
C109
L11
R259
C125
L21
R252
J3
1
2
3
4
R356
C128
DL2
1 3
C104
DL5
13
D12
13
RV18
13
2
IC41
3
2
1
I
C
O
R261
C107
C106
C211
IC25B
5
6
7
84
+
-
C110
D15
13
C114
C118
R361
C108
JP25
1 2
C122
D19
C212
C101
100uF 35V
R257
R395
IC21
1
4
2
7 3
6
5
IN OUT
GND ON/OFF
FB NC BOOST
JP24
1 2
C194
D11
13
R236
IC22
3
2
1
I O
GND
D8
R251
L10
C98
R244
J10
1
2
3
4
5
6
7
8
9
10
11
12
13
JP18
1
2
3
C130
L12
C96
C99
R250
C123
C121
C124
R237
R242
R238
C129
C113
C103
D9
1 3
L8
C97
R235
D13
1 3
C105
IC40
2
1
3
I O
adj
L9
C115
R256
L20
R241
TP15
1
R231
J13
RE_REFL
R401
R245
J11
°C
JP27
1 2
C102
100uF 35V
R243
R239
IC24B
5
6
7
84
+
-
+15V
-15V
+24V
-15V
+5V
+15V
+15V
+5V
+5V
+5V +3V3
+24V
+24V
BF_MD
BF_VCO_LEV
RF_ENB_VCO
LE_PLL
CLK_PLL
DATA_PLL
PLL_LOCK
FRW_LEV
FRW_MIS
RFL_MIS
RFL_LEV
TEMP_EXT
GATE
V
UNB
VCO
+V DRIVER
NTC
FWD
UNB
RFL
GATE
V
13M31660 Mother Board - Schematic Diagram – Page 5 of 7

Table of Contents