EasyManua.ls Logo

Terramite TSS38 - Wiring Harness Diagram for the Kubota Engine

Terramite TSS38
106 pages
Print Icon
To Next Page IconTo Next Page
To Next Page IconTo Next Page
To Previous Page IconTo Previous Page
To Previous Page IconTo Previous Page
Loading...
Copyright © 2007 Terramite Corporation
4.14
WWW.TERRAMITE.COM/SAFETY
Charleston, WV/USA
USA 1.800.428.3772
Intl. 1 .304.776.4231
Read Operators Manual For Safety
PARTS MANUAL
Hydraulics
&
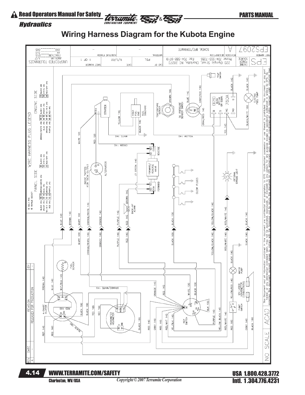
Wiring Harness Diagram for the Kubota Engine
Courtesy of Machine.Market

Table of Contents

Related product manuals