EasyManua.ls Logo

Texas Instruments Metawatch MSP-WDS Series - MSP-FET USB Debugger, Schematic (1 of 5)

Texas Instruments Metawatch MSP-WDS Series
51 pages
Print Icon
To Next Page IconTo Next Page
To Next Page IconTo Next Page
To Previous Page IconTo Previous Page
To Previous Page IconTo Previous Page
Loading...
MSP-FET Rev 1.2
1
3/12/2014
3/12/2014
C
4
A B C D
Date
E
Sheet of
F
4
2
1
Title
3
1
A B C D E
Size Number
F
2
3
Rev
1
A
5
General power supply
Additional supply
LED
USB interface
Host MCU
DVCC1
DVCC3
DVCC2
AVCC1
Debug i/f
USB BSL activation
VBUS bypass
1
P6.4/CB4/A4
2
P6.5/CB5/A5
3
P6.6/CB6/A6/DAC0
4
P6.7/CB7/A7/DAC1
5
P7.4/CB8/A12
6
P7.5/CB9/A13
7
P7.6/CB10/A14/DAC0
8
P7.7/CB11/A15/DAC1
9
P5.0/VREF+/VEREF+
10
P5.1/VREF-/VEREF-
11
AVCC1
12
AVSS1
13
XIN
14
XOUT
15
AVSS2
16
P5.6/ADC12CLK/DMAE0
17
P2.0/P2MAP0
18
P2.1/P2MAP1
19
P2.2/P2MAP2
20
P2.3/P2MAP3
21
P2.4/P2MAP4
22
P2.5/P2MAP5
23
P2.6/P2MAP6/R03
24
P2.7/P2MAP7/LCDREF/
25
DVCC1
26
DVSS1
27
VCORE(2)
28
P5.2/R23
29
LCDCAP/R33
30
COM0
31
P5.3/COM1/S42
32
P5.4/COM2/S41
33
P5.5/COM3/S40
34
P1.0/TA0CLK/ACLK/S3
35
P1.1/TA0.0/S38
36
P1.2/TA0.1/S37
37
P1.3/TA0.2/S36
38
P1.4/TA0.3/S35
39
P1.5/TA0.4/S34
40
P1.6/TA0.1/S33
41
P1.7/TA0.2/S32
42
P3.0/TA1CLK/CBOUT/S
43
P3.1/TA1.0/S30
44
P3.2/TA1.1/S29
45
P3.3/TA1.2/S28
46
P3.4/TA2CLK/SMCLK/S
47
P3.5/TA2.0/S26
48
P3.6/TA2.1/S25
49
P3.7/TA2.2/S24
50
P4.0/TB0.0/S23
51
P4.1/TB0.1/S22
52
P4.2/TB0.2/S21
53
P4.3/TB0.3/S20
54
P4.4/TB0.4/S19
55
P4.5/TB0.5/S18
56
P4.6/TB0.6/S17
57
P4.7/TB0OUTH/SVMOUT
58
P8.0/TB0CLK/S15
59
P8.1/UCB1STE
60
P8.2/UCA1TXD
61
P8.3/UCA1RXD
62
P8.4/UCB1CLK/UCA1ST
63
DVSS2
64
DVCC2
65
P8.5/UCB1SIMO
66
P8.6/UCB1SOMI
67
P8.7/S8
68
P9.0/S7
69
P9.1/S6
70
P9.2/S5
71
P9.3/S4
72
P9.4/S3
73
P9.5/S2
74
P9.6/S1
75
P9.7/S0
76
VSSU
77
PU.0/DP
78
PUR
79
PU.1/DM
80
VBUS
81
VUSB
82
V18
83
AVSS3
84
P7.2/XT2IN
85
P7.3/XT2OUT
86
VBAK
87
VBAT
88
P5.7/RTCCLK
89
DVCC3
90
DVSS3
91
TEST/SBWTCK
92
PJ.0/TDO
93
PJ.1/TDI/TCLK
94
PJ.2/TMS
95
PJ.3/TCK
96
RST/NMI/SBWTDIO
97
P6.0/CB0/A0
98
P6.1/CB1/A1
99
P6.2/CB2/A2
100
P6.3/CB3/A3
U1
MSP430F6638IPZR
C6
100n
+
C5
10uF/6.3V
C7
100n
C9
100n
C11
100n
R10R
C15
68p
C16
470n
C17
220n
C18
4.7n
D1 D2
R47 470R
R500R
1
IO1
2
IO2
3
GND
4
IO3
5
IO4
6
VCC
U5
TPD4E004DRYR
R21k4
C14
4.7u, dnp
C23
100n
R6033k
C31
10p
C33
10p
R61
1M
R62
100R
J5
C8
220n
13
2
P1
R170R
A C
D7
B0530W-7-F
R76
27k
C70
4.7u, dnp
C71
100n
R85
0R, dnp
C55
1n
R3 27R
R45 27R
R46 470R
+
C12
10uF/6.3V
1
2
3
4
5
6
7
11
10
J1
R28
4k7
R30
4k7
1
1
11
1
1
1
1 1 1
1 1
1
1 1 1
1 1 1 1
1
1
VCC_DT_REF
VCC_DCDC_REF
VCC_DT2TRGT_CTRL
VCC_SUPPLY2TRGT_CTRL
LED1
TDIOFF_CTRL
PWM_SETVF
FPGA_TCK
FPGA_TDI
FPGA_TMS
FPGA_TDO
FPGA_TRST
VF2TEST_CTRL
VF2TDI_CTRL
AVCC_POD
VCC_POD33
VCC_POD33
VCC_POD33
VREF+
VCORE
VBAK
MCU_DMAE0
DCDC_PULSE
MCU_P2.2
MCU_P2.3
MCU_P2.4
MCU_P2.5
MCU_P2.6
MCU_P2.7
MCU_P1.0
MCU_P1.1
MCU_P1.2
MCU_P1.3
MCU_P1.4
MCU_P1.5
MCU_P1.6
MCU_P1.7
MCU_P3.0
MCU_P3.1
MCU_P3.2
MCU_P3.3
MCU_P3.4
MCU_P3.5
MCU_P3.6
MCU_P3.7
MCU_P4.0
MCU_P4.1
MCU_P4.2
MCU_P4.3
MCU_P4.4
MCU_P4.5
MCU_P4.6
MCU_P4.7
MCU_P8.1
MCU_P8.2
MCU_P8.3
PUR
PU.1/DM
PU.0/DP
VBUS
VUSB
AVCC_POD
VCC_POD33
VCC_POD33
VCC_POD33
AVCC_POD
VCC_POD33
VREF+
VCORE
V18
V18
VBAK
HOST_TEST
HOST_RST
FPGA_RESET
LED0
LED1
PUR
VUSB
PU.1/DM
PU.0/DP
DCDC_RST
HOST_SCL
HOST_SDA
DCDC_IO0
LED0
A_VBUS5
VBUS
A_VCC_SUPPLY_HOST
DCDC_TEST
A_VF
MCU_P9.5
DCDC_IO1
HOST_TCK
HOST_TMS
HOST_TDI
HOST_TDO
VCC_POD33
HOST_RST
VCC_POD33
GND1
VBUS5
MCU_P2.1
GND1 GND1
VCC_DT2SUPPLY_CTRL
A_VCC_DT
A_VCC_DT_BSR
A_VCC_SENSE0_TRGT
VCC_POD33
VCC_DT_SENSE
Debug Probes Hardware and Software
www.ti.com
22
SLAU647FJuly 2015Revised December 2016
Submit Documentation Feedback
Copyright © 2015–2016, Texas Instruments Incorporated
MSP Debuggers
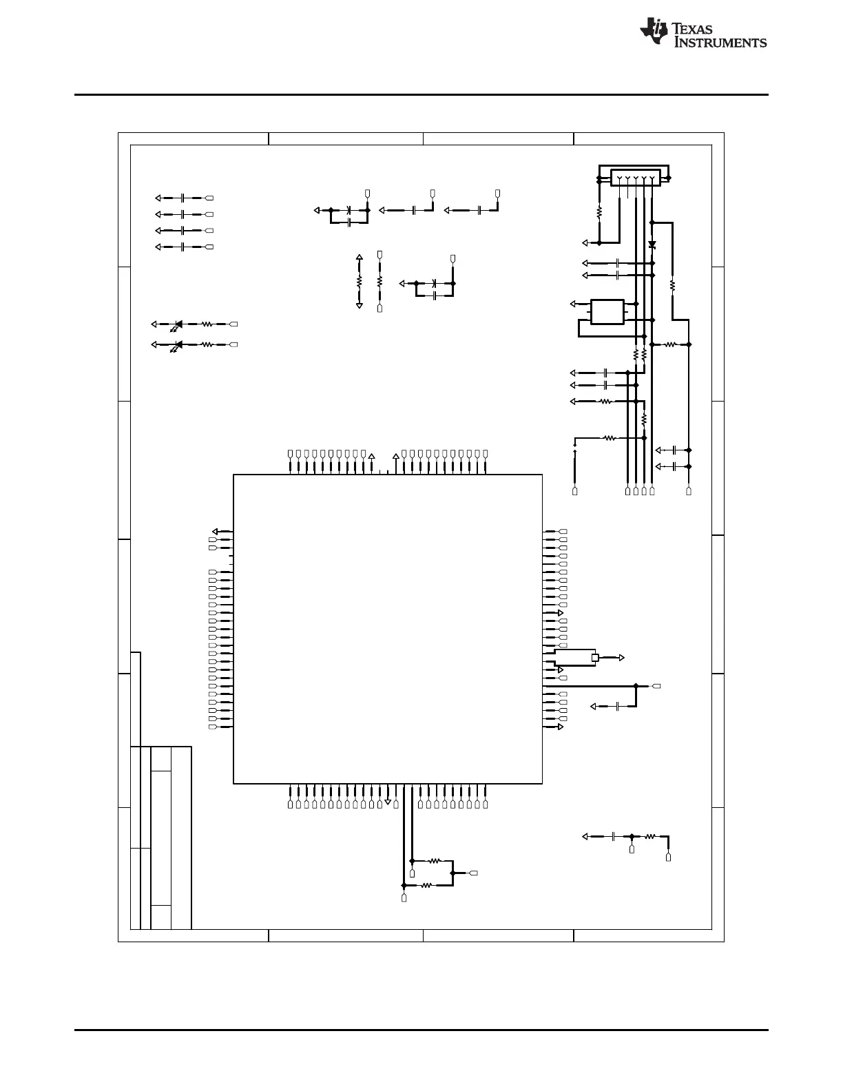
5.6.5.4 Schematics
Figure 16. MSP-FET USB Debugger, Schematic (1 of 5)

Related product manuals