EasyManua.ls Logo

Texas Instruments Metawatch MSP-WDS Series - MSP-FET430 UIF USB Interface, Schematic (1 of 4)

Texas Instruments Metawatch MSP-WDS Series
51 pages
Print Icon
To Next Page IconTo Next Page
To Next Page IconTo Next Page
To Previous Page IconTo Previous Page
To Previous Page IconTo Previous Page
Loading...
www.ti.com
Debug Probes Hardware and Software
31
SLAU647FJuly 2015Revised December 2016
Submit Documentation Feedback
Copyright © 2015–2016, Texas Instruments Incorporated
MSP Debuggers
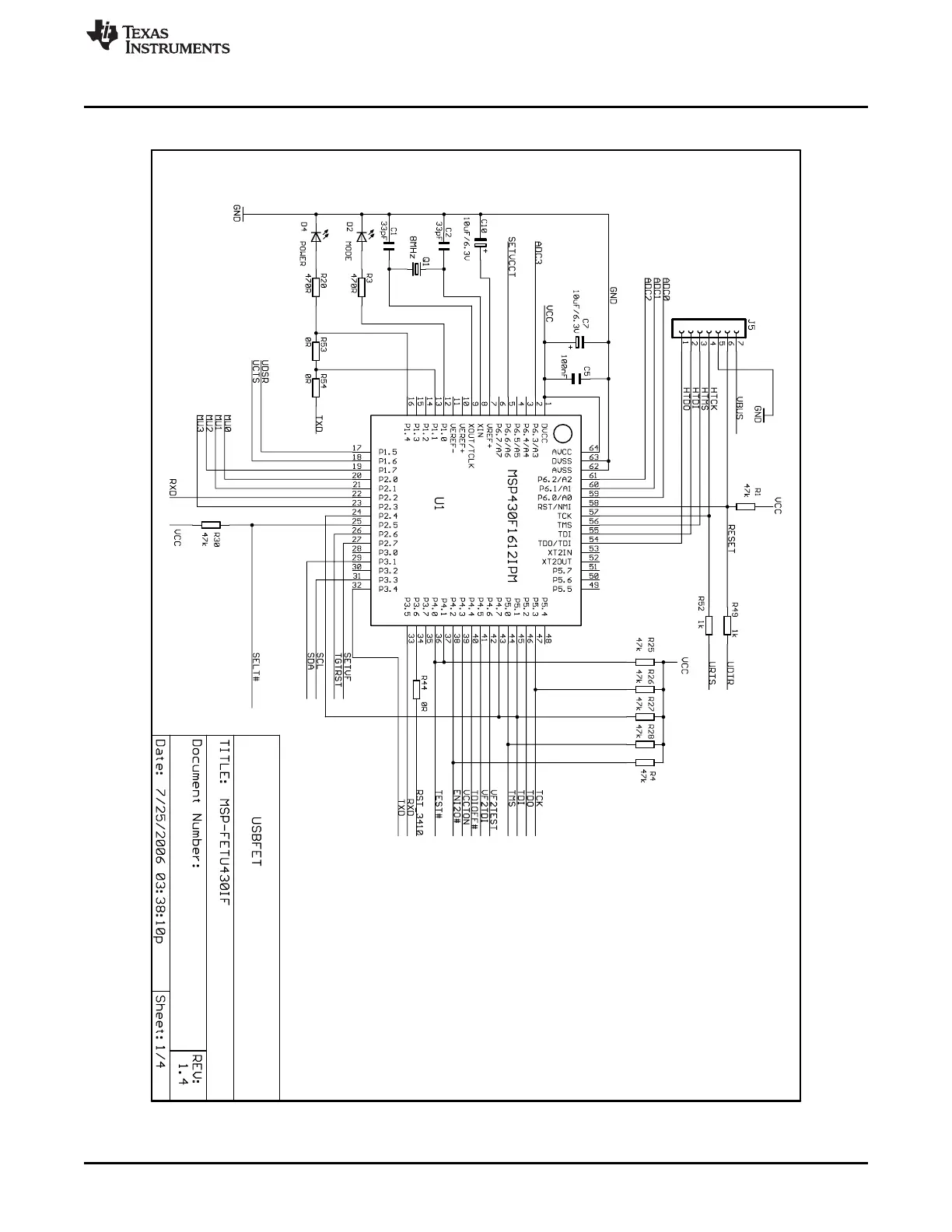
5.7.3.3 Schematics
Figure 26. MSP-FET430UIF USB Interface, Schematic (1 of 4)

Related product manuals