EasyManua.ls Logo

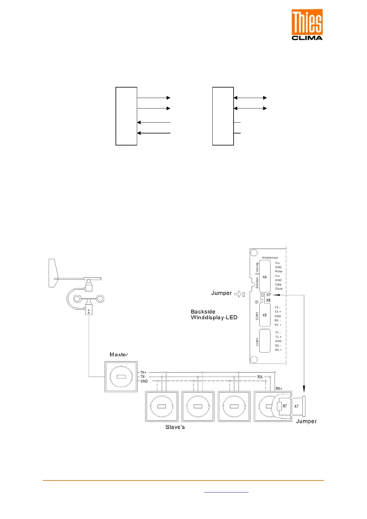
Thies CLIMA Winddisplay LED - Figure 4: Example of Connections

Thies CLIMA Winddisplay LED
42 pages
Print Icon
To Next Page IconTo Next Page
To Next Page IconTo Next Page
To Previous Page IconTo Previous Page
To Previous Page IconTo Previous Page
Loading...
© Adolf Thies GmbH & Co. KG · Hauptstraße 76 · 37083 Göttingen · Germany 021408/04/21
Phone +49 551 79001-0 · Fax +49 551 79001-65 · info@thiesclima.com ·www.thiesclima.com Page 18 of 19
Interface configuration
The selection of the interface configuration is carried out via the key mode (see 9
„operation“). In the operation mode RS485 the output of the requirement protocol is carried
out cyclically for the reception of the VDT-telegram from the ultrasonic.
Contact pins X7 that can be bridged with a jumper are located on the rear panel of the
Winddisplay, for termination in case of long lines (refer to Figure 4: Example of Connections
Figure 4: Example of Connections
RS422
Tx-
Tx+
Rx-
Rx+
RS485
Tx-
Tx+
Rx-
Rx+
Rx-/
Rx+/
Not
send / reception
send
reception

Related product manuals