EasyManua.ls Logo

THOMSON MEC 2 - V1.4 - Page 53

THOMSON MEC 2 - V1.4
90 pages
Print Icon
To Next Page IconTo Next Page
To Next Page IconTo Next Page
To Previous Page IconTo Previous Page
To Previous Page IconTo Previous Page
Loading...
MEC 2 MICROPROCESSOR ENGINE/GENERATOR CONTROLLER
PM056 Rev 6 05/10/15 Thomson Technology
48
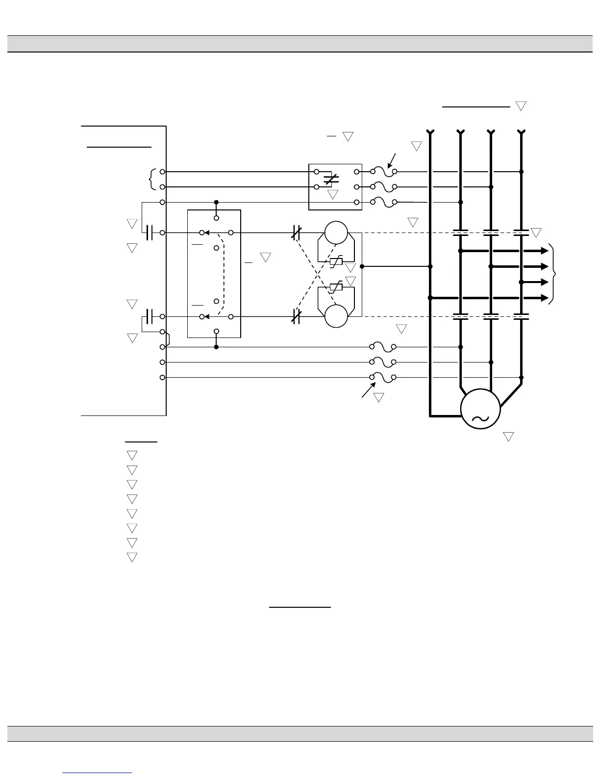
TYPICAL MEC 2 / MEC 20 AUTO MAINS FAILURE (AMF) APPLICATION
W
U
V
NUVW
U
V
W
N
LOAD
U
V
W
N
220/380V
UTILITY (MAINS)
220/380V
UTILITY (MAINS)
CONTROL
FUSES (5A)
UTILITY (MAINS)
CONTACTOR
GENERATOR SUPPLY
CONTROL
FUSES (5A)
GENERATOR
CONTACTOR
U-AUX(b)
G-AUX(b)
MF
MAINS
FAILURE
RELAY
1
U
A
G
G
A
U
S1b
S1a
S1
MANUAL
OVERRIDE
SWITCH
(OPTIONAL)
REMOTE
START
MEC 2 / MEC 20
C/W AMF
16
17
35
36
20
21
VA
VB
VC
PROGRAMMABLE
OUTPUT #3
PROGRAMMABLE
OUTPUT #4
3
URTL
GRTL
1
4
5
G
5
5
5
5
5
7
6
7
220V
U
220V
G
8
8
2
G:\ENGINEER\PRODUCTS\MEC2\MEC2_10.VSD REV. 0 01/11/20
CONTACTS RATED 10A, 240VAC RESISTIVE
MAINS FAILURE CONTACT CLOSES WHEN VOLTAGE DROPS BELOW SETPOINT
PROGRAMMABLE OUTPUT #3 MUST BE PROGRAMMED FOR "UTILITY READY TO LOAD"
PROGRAMMABLE OUTPUT #4 MUST BE PROGRAMMED FOR "GENERATOR READY TO LOAD"
ALL COMPONENTS SHOWN EXTERNAL TO THE MEC 2 / MEC 20 ARE OPTIONAL ITEMS
3 POLE CHANGEOVER SWITCH SHOWN
FOR OTHER SYSTEM VOLTAGE APPLICATIONS, CONSULT TTI FACTORY
AC COIL SPIKE SUPPRESSION DEVICES ARE REQUIRED
1
2
3
4
5
6
7
8
NOTES:
FIGURE #17

Related product manuals