EasyManua.ls Logo

Timberwolf TW 150DHB - 27 Circuit Diagram

Timberwolf TW 150DHB
49 pages
Print Icon
To Next Page IconTo Next Page
To Next Page IconTo Next Page
To Previous Page IconTo Previous Page
To Previous Page IconTo Previous Page
Loading...
TIMBERWOLF
TW 150DHB
27
DOCUMENT No. ISSUE
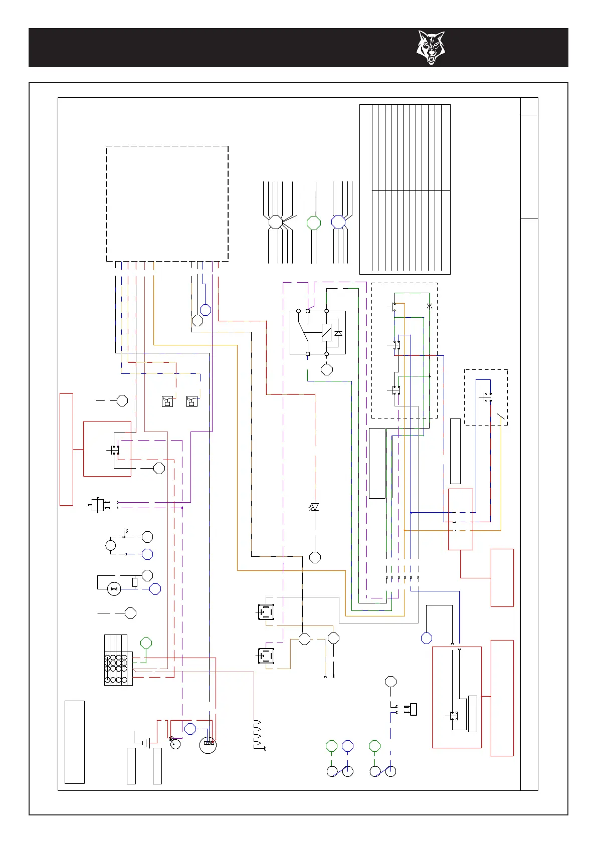
CIRCUIT DIAGRAM FOR: 150 (WITH H-BOX) HIGH AND LOW FUNNEL VERSIONS
1
150-CD
COMPONENT LIST (LOW FUNNEL - TRACKED):
MAIN LOOM: 17277/2, LOW FUNNEL LOOM: 3019/1, SAFETY SWITCH LOOM: 4017/1
CONFIGURATION T.B.A.
F
D
E
C
B
A
SPLIT TO FUNNEL LOOM
TACHO SIG / ALT
FUNNEL SAFETY SWITCH
PART No. 4017
PART No. 3019 (LOW FUNNEL)
SPLIT TO FUNNEL
SAFETY SWITCH
SPLIT TO FUNNEL
SAFETY SWITCH
FUSE 1
IGP
FUSE 2
AUX
AUX POWER
CONN
B
2
1
BL
G
G
BL/W
1-AC 3mm
41 1mm12 .5mm
1mm
40
15 1mm
1.5mm
16
1mm
2mm
15
5
BLUE
SP#4
.5mm
8
1mm40
3mm48
18 2mm
1mm20
40 1mm
39 1mm
40 1mm
8 0.5
50E 1mm
40
40 1mm
1mm
1mm33
28 1mm
GREEN
SP#2
BLACK
SP#1
LATCH RELAY
FWD SOL
85
30
87a
86
87
BL/G
B
SOLENOID
FWD REVERSE
SOLENOID
2
3
1 2
3
1
BR
B/BR
W
BR
LED
HEATERS
ON LED
B
BR/R
NO-STRESS
B
SAFETY SW
N.O./N.C.
BL/R
REV
STOP
N.C./N.C.
FWD
B BLACK
BL BLUE
BR BROWN
R RED
G GREEN
Y YELLOW
P PURPLE
W WHITE
B/G BLACK WITH GREEN TRACER
BL/R BLUE WITH RED TRACER
BL/G BLUE WITH GREEN TRACER
KEY TO WIRING 150TR
O ORANGE
B/R BLACK WITH RED TRACER
BL/W BLUE WITH WHITE TRACER
P/W PURPLE WITH WHITE TRACER
B/BR BLACK WITH BROWN TRACER
BL/B BLUE WITH BLACK TRACER
W/R WHITE WITH RED TRACER
Y/B YELLOW WITH BLUETRACER
O/W ORANGE WITH WHITE TRACER
O/Y ORANGE WITH YELLOW TRACER
ALTERNATOR
ROTOR
O/P
STARTER
BATTERY
STARTER
SOL TERM
GLOW
PLUGS
ENG GND POINT
BATT 25mm
BATT 25mm
R
R
BL
R
BL/B
ACC
OFF
RUN
START
HOUR FUEL ENGINE
GROUND
POINT
R
PUMPMETER
B
BL
B
FUEL
SOLENOID
PULL HOLD
2
1
P/W P
KEY SWITCH
EMERGENCY
SWITCH
C D
B
GROUND
SECURITY
ENGINE
B
p
t
WATER TEMP
SWITCH
OIL PRESS
SWITCH
Y/BL
Y/R
B
BL
BR/B
BR/R
BR/R BROWN WITH RED TRACER
Y/R YELLOW WITH RED TRACER
Y/R
Y/BL
B/R
BR
O
R/W
BR
BR
G
R
P/W
O
W
BL
O
BL/G
B/G
BL/G
P/W
P/W
W
BL
B/G
BL
P/W
P/W
B/G
35 1mm
N.O./N.C.
N.O./N.C.
A B
MAIN TERM
STARTER
MOTOR
OVER RIDE
SP
1
SP
1
SP
1
SP
1
SP
1
SP
1
SP
1
SP
1
SP
1
SP
4
SP
4
SP
4
SP
4
SP
4
SP
2
SP
2
SP
2
SP
5
A B
C D
C
D
A B
O BL/R
N.O./N.C.
13 14
21 22
N.O.
13
14
A B C
POSITIVE BATTERY CABLE: 1375/2, NEGATIVE BATTERY CABLE: 1376/2
150 ROAD MACHINE WOULD NOT HAVE THIS SWITCH.
CONNECT ONLY THE TWO WHITE/PURPLE WIRES.
THIS LOOM ONLY USED WITH TRACKED MACHINES.
SWITCH WIRES TOGETHER.
MAIN LOOM 18481
PART No. 1975 (HIGH FUNNEL)
FOR ROAD MACHINES CONNECT FUNNEL SAFETY
LOW FUNNEL HAS NO
PLUG SOCKET
PART No. 1406 (HIGH FUNNEL)
COMPONENT LIST (HIGH FUNNEL - TRACKED):
MAIN LOOM: 17277/2, HIGH FUNNEL LOOM: 1975/3, SAFETY SWITCH LOOM: 4017/1
SAFETY BAR LOOM: 1406/1,
POSITIVE BATTERY CABLE: 1375/2, NEGATIVE BATTERY CABLE: 1376/2
COMPONENT LIST (HIGH FUNNEL - ROAD):
MAIN LOOM: 17277/2, HIGH FUNNEL LOOM: 1975/3, SAFETY BAR LOOM: 1406/1
POSITIVE BATTERY CABLE: 1375/2, NEGATIVE BATTERY CABLE: 1376/2
PART No. 1376
PART No. 1375
B/W
M
BL
SP
4
SP
1
B
B
GLOW PLUG LAMP
OUT 3
BAT
OUT 5
OUT 1
OUT 2
15
16
17
18
14
13
12
FUEL HOLD SOLENOID
BAT 12 V IGP
SOL GND SPEED CONTROLLED
EMERGENCY/ROTOR SWITCH
RESET REVERT TO RESET MODE
STT
RST
AX1
AX2
GND
EPC
8
9
10
11
7
5
6
GND 0v
GLOW PLUG I/P
IN-
EPA
IN+
EPB
1
3
2
4
SPEED SIG -
SPEED SIG +
OIL PRESSURE SW
WATER TEMP SW
CONTROLLER
H-BOX PCU
FROM SAFETY SWITCH
AX2
AX1
OUT 4
AUTO REVERSE PULSE OUTPUT
P
GLOW PLUG LAMPOUT 3
BAT
OUT 5
OUT 1
OUT 2
15
16
17
18
14
13
12
FUEL HOLD SOLENOID
BAT 12 V IGP
SOL GND SPEED CONTROLLED
EMERGENCY/ROTOR SWITCH
RESET REVERT TO RESET MODE
STT
RST
AX1
AX2
GND
EPC
8
9
10
11
7
5
6
GND 0v
GLOW PLUG I/P
IN-
EPA
IN+
EPB
1
3
2
4
SPEED SIG -
SPEED SIG +
OIL PRESSURE SW
WATER TEMP SW
CONTROLLER
H-BOX PCU
FROM SAFETY SWITCH
U/B
AX2
AX1
OUT 4
AUTO REVERSE PULSE OUTPUT
P
CIRCUIT DIAGRAM

Table of Contents

Related product manuals