EasyManua.ls Logo

Toa VM-2120 - BLOCK DIAGRAM

Toa VM-2120
60 pages
Print Icon
To Next Page IconTo Next Page
To Next Page IconTo Next Page
To Previous Page IconTo Previous Page
To Previous Page IconTo Previous Page
Loading...
55
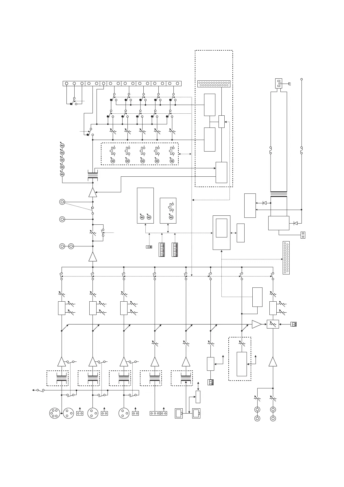
28. BLOCK DIAGRAM
[VM-2120/-2240]
IT-450
(option)
SETTINGS
(Phantom Power)
SETTINGS
(INPUT 1 MIC/LINE)
SETTINGS
(INPUT 2 MIC/LINE)
SETTINGS
(INPUT 3 MIC/LINE)
HA
IT-450
(option)
HA
G
+
CPU
G
+
CPU
IT-450
(option)
HA
IT-450
(option)
HA
IT-450
(option)
OT
HA
MA
G
+
CPU
G
+
C
E
H
CPU
RS-485 CPU
CPU
CPU
Audio
CTRL IN 1
CTRL IN 2
CTRL IN 3
TEL PAGING
INPUT 3
(MIC/LINE)
BGM 1
(LINE)
BGM 2
(LINE)
INPUT 2
(MIC/LINE)
INPUT 1
(MIC/LINE)
Ctrl In
LINK
Remote mic
Slave amp
(
(
Chime
Tone
CF card
sound source
1 kHz
Detector
SETTINGS
(Chime Tone Select)
EV-200M (option)
Auto fader
Mute level
BASS TREBLE
BGM vol
Tone
BASS TREBLE
INPUT 1 vol
Tone
BASS TREBLE
INPUT 2 vol
Tone
BASS TREBLE
INPUT 3 vol
MA
REC
OUT
PRE
OUT
POWER AMP
IN
LINE
OUT
MASTER vol
MASTER bypass
CPU
PA
Level meter
–30
–24 –17 –7 0 dB
ZONE 1
Zone select
Zone vol
(ATT)
ATT bypass
Zone
On/Off
ZONE 2
ZONE 3
ZONE 4
ZONE 5
CPU
CPU
N1
ATTENUATOR
CONTROL
EXTERNAL SP
INPUT
DIRECT OUT
ZONE 1
ZONE 2
ZONE 3
Ground Fault
Detector
Impedance
Detector
Amp Fault
Detector
Watchdog
Timer
AC/DC
Detector
ZONE 4
ZONE 5
N2
C
C
H
C
H
C
H
C
H
C
H
C
H
H
SV-200MA (option)
SURVEILLANCE
I/O
(D-sub 25P)
CPU
CPU
EEPROM
SW 2
SETTINGS
(Master/Slave)
SW 3
POWER
EMERGENCY
FAULT
AC MAINS
AC FUSE
DC FUSE
DC POWER IN
24 V DC
PT
Power
CONTROL I/O
( D-sub 25P)
24 V DC OUT
TEL PAGING vol
RM vol
CHIME vol

Table of Contents

Other manuals for Toa VM-2120

Related product manuals