OK
CANCEL
CANCEL
CANCEL
CANCEL CANCEL
CANCEL
CANCEL
OK
CANCEL
CANCEL
OK
CANCEL
CANCEL
CANCEL
CANCEL
CANCEL
CANCEL
CANCEL
CANCEL
CANCEL
CANCEL
CANCEL
CANCEL
OK
CANCEL
OK
CANCEL
OK
CANCEL
OK
CANCEL
OK
CANCEL
OK
CANCEL
OK
CANCEL
OK
CANCEL
MENU
CANCEL
OK
CANCEL
MENU
CANCEL
OK
CANCEL
MENU
CANCEL
OK
CANCEL
MENU
CANCEL
CANCEL
CANCEL
CANCEL
MENU
MENU
MENU
MENU
MENU
MENU
MENU
INPUT 3
INPUT 3
INPUT 3
INPUT 3
MENU
MENU
MENU
MENU
MENU
MENU
MENU
MENU
MENU
MENU
INPUT 3 BGM
BGM
BGM
MENU
MENU
MENU
MENU
MENU
MENU
MENU
MENU
OK
CANCEL
SELECT
M
ENU
C
O
NF I
G
URAT I
O
N
C
O
NF I
G
URAT I
O
N
SETT I N
G
3
:
NET
W
O
RK
SETT I N
G
4
:
L
OG
DATA
V
M
–
3000
–>
PC
2
:
CL
O
CK
SETT I N
G
5
:
SETT I N
G
DATA
C
O
MM
UN I CAT I
O
N
6
:
EV DATA
C
O
MM
UN I CAT I
O
N
7
:
E
MG
BR
O
ADCAST
SE
T
TI
N
G
INPUT 4 T
O
NE
SETT I N
G
B
G
M
1V
O
LU
M
E
00
B
G
M
2V
O
LU
M
E
00
CH I
M
E
V
O
LU
M
E
–10
SELECT
M
ENU
INF
O
R
M
AT I
O
N
INF
O
R
M
AT I
O
N
SETT I N
G
SELECT
L
AN
G
UA
G
E
EN
G
LISH
2.00
SELECT
M
ENU
AUD I
O
AUD I
O
SETT I N
G
SELECT
M
ENU
SURVE I LLANCE
SURVE I LLANCE
SETT I N
G
SURVE I LLANCE
M
EASURE
M
ENT
INPUT 3
LINE
INPUT 3
PHANT
O
M
O
FF
INPUT 3 T
O
NE
TREBLE 00
INPUT 3 T
O
NE
BASS 00
SELECT B
G
M
B
G
M
1
B
G
M
TREBLE 00
B
G
M
BASS 00
1
:
PASS
W
O
RD
SETT I N
G
11
:
PASS
W
O
RD
0000
21
:
01 0JNA208
00
:
00
31
:
I P ADDRESS
192 . 168 . 014 . 001
32
:
SUBNET
M
ASK
255 . 255 . 255 . 000
71
:
TI
M
E
O
U
T
OFF
51
:
SETT I N
G
DATA
PC
–>
V
M
–
3000
52
:
SETT I N
G
DATA
V
M
–
3000
–>
PC
61
:
EV DATA
PC
–>
V
M
–
3000
62
:
EV DATA
V
M
–
3000
–>
PC
INPUT 4 T
O
NE
TREBLE 00
INPUT 4 T
O
NE
BASS 00
O
EVA
C
U
TA
E
V
LU
M
E
00
ALE
R
T
V
O
LU
M
E
00
EV1
V
O
L U
M
E
00
EV2
V
O
LU
M
E
00
E
V6
V
O
LU
M
E
00
E
V5
V
O
LU
M
E
00
EV4
V
O
LU
M
E
00
EV3
V
O
LU
M
E
00
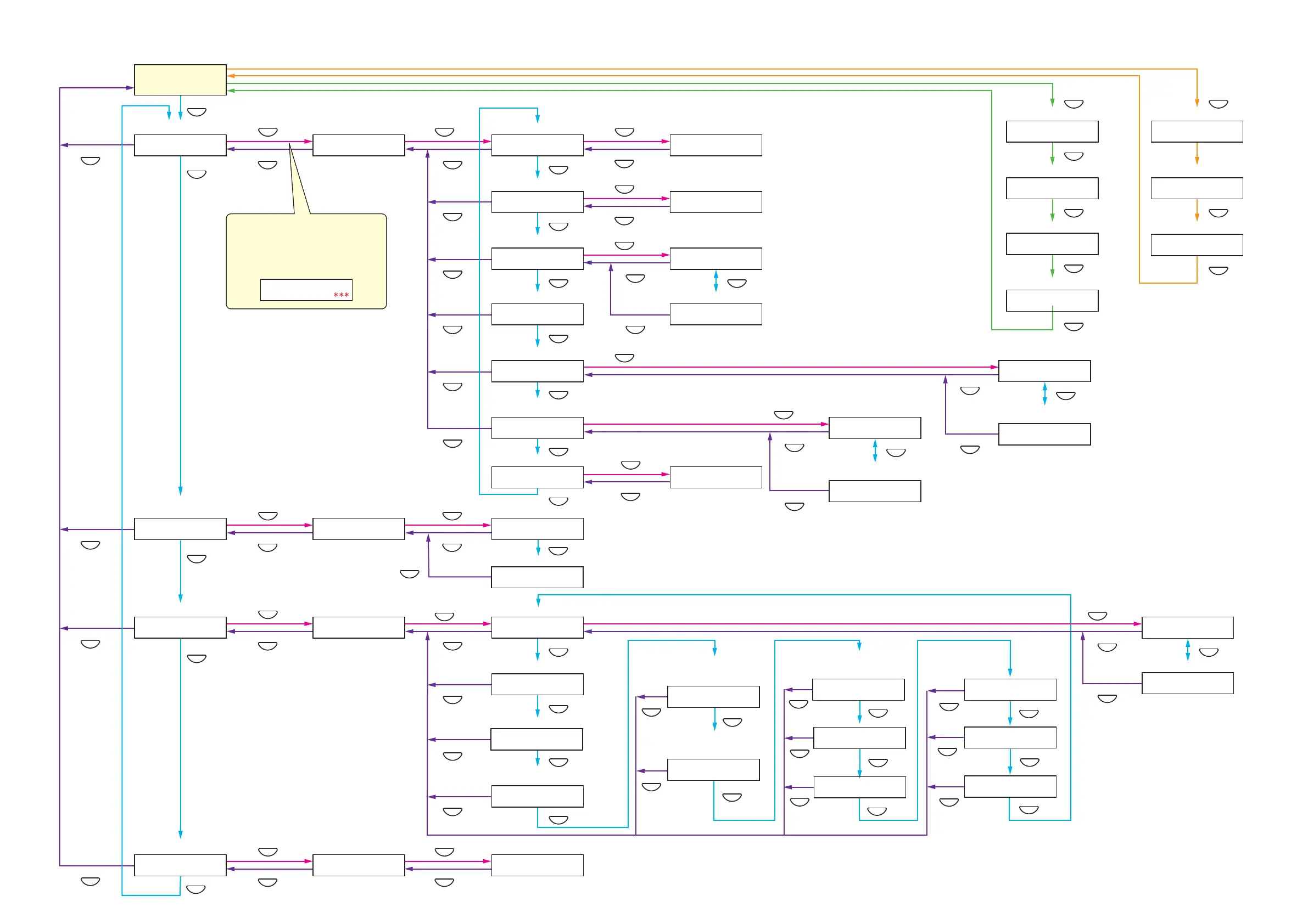
Setting menu screen Cofiguration Setting screen Password settings (p. 48)
Password entry (p. 47)
If a password has been set, the
password input screen is displayed
before entering the Configuration
Setting screen.
Date/time settings (p. 49)
Network settings (p. 50)
Log transfer (p. 52)
IP address settings
Sub-net mask settings
Treble settings
Bass settings
Transfer from PC to VM-3240VA
(VM-3000VA)
Transfer from VM-3240VA
(VM-3000VA) to PC
Time-out setting
Transfer from PC to VM-3240VA
(VM-3000VA)
Transfer from VM-3240VA
(VM-3000VA) to PC
Set data transfer (p. 53)
EV sound source data
transfer (p. 55)
EMG broadcast setting (p. 57)
Normal use status
Setting menu screen Information setting screen Usage language selection (p. 58)
Version display screen (p. 59)
Setting menu screen Audio setting screen Input 4 tone settings (p. 61)
BGM 1 volume adjustment (p. 62)
BGM 2 volume adjustment (p. 62)
Microphone-interlocked
chime volume control (p. 62)
Evacuation message
announcement volume
adjustment (p. 63)
Alert message
announcement volume
adjustment (p. 63)
Automatic general message
announcement volume
level control (p. 64)
Setting menu screen Surveillance setting screen Surveillance initialization (p. 65)
LINE/MIC selection (p. 67)
Phantom power ON/OFF (p. 67)
Treble settings (p. 67)
Bass settings (p. 67)
BGM selection (p. 69)
Treble settings (p. 69)
Bass settings (p. 69)
PASS
W
O
R D ?
0
N
VERS I AV
O
10.2. Setting Hierarchical Chart