EasyManua.ls Logo

Toa VM-3240VA - Audio and Control Connection Example

Toa VM-3240VA
105 pages
Print Icon
To Next Page IconTo Next Page
To Next Page IconTo Next Page
To Previous Page IconTo Previous Page
To Previous Page IconTo Previous Page
Loading...
78
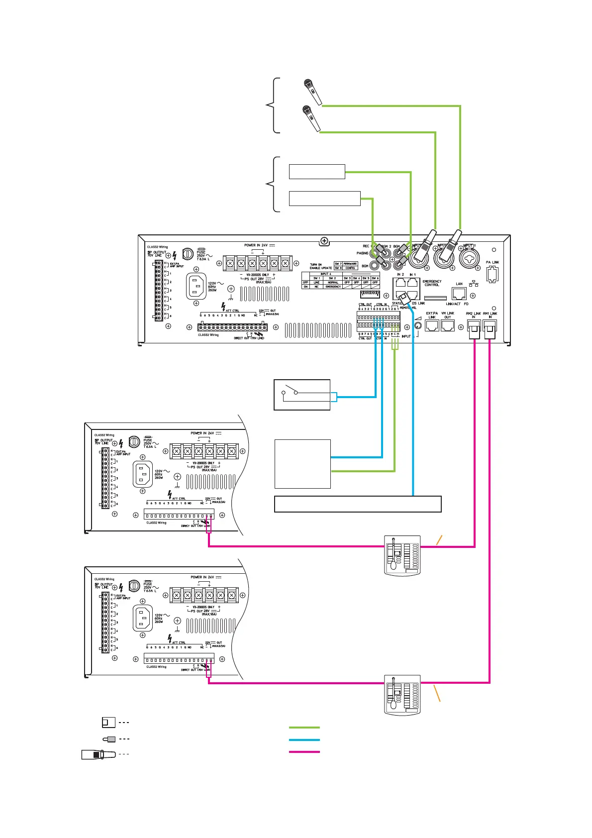
13.2. Audio and Control Connection Example
Cassette Player
CD Player
CAT. 5
CAT. 5
Talk switch or other
make contact
BGM sources
Paging microphones
VM-3240VA rear
PBX
Notification Appliance Circuits Extender
Control
Audio
RM-200M
RM-200M
VM-3240VA/3240E rear
VM-3240VA/3240E rear
XLR type female connector
RCA plug
RJ45 male connector
Audio line
Control line
Audio + control + DC power line

Table of Contents

Related product manuals