EasyManua.ls Logo

Toa VM-3240VA - Page 89

Toa VM-3240VA
105 pages
Print Icon
To Next Page IconTo Next Page
To Next Page IconTo Next Page
To Previous Page IconTo Previous Page
To Previous Page IconTo Previous Page
Loading...
89
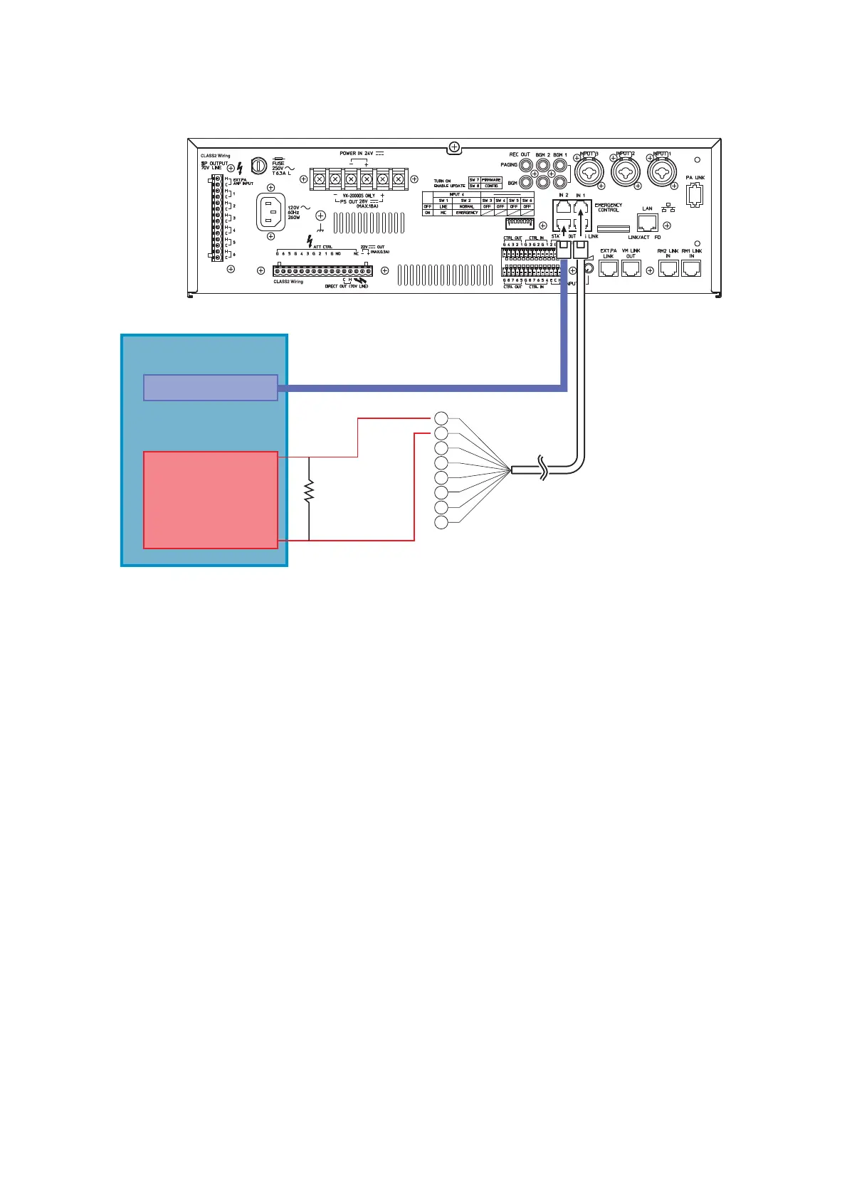
[NAC Extender connection]
EMERGENCY STATUS OUT
CTRL IN 1
10 kΩ
COM 1
1
2
3
4
5
6
7
8
NAC EXTENDER
NAC ACTIVE INPUT
NAC FAULT OUTPUT
VM-3240VA rear

Table of Contents

Related product manuals