EasyManua.ls Logo

Toro 30317 - Schematics

Toro 30317
56 pages
Print Icon
To Next Page IconTo Next Page
To Next Page IconTo Next Page
To Previous Page IconTo Previous Page
To Previous Page IconTo Previous Page
Loading...
Schematics
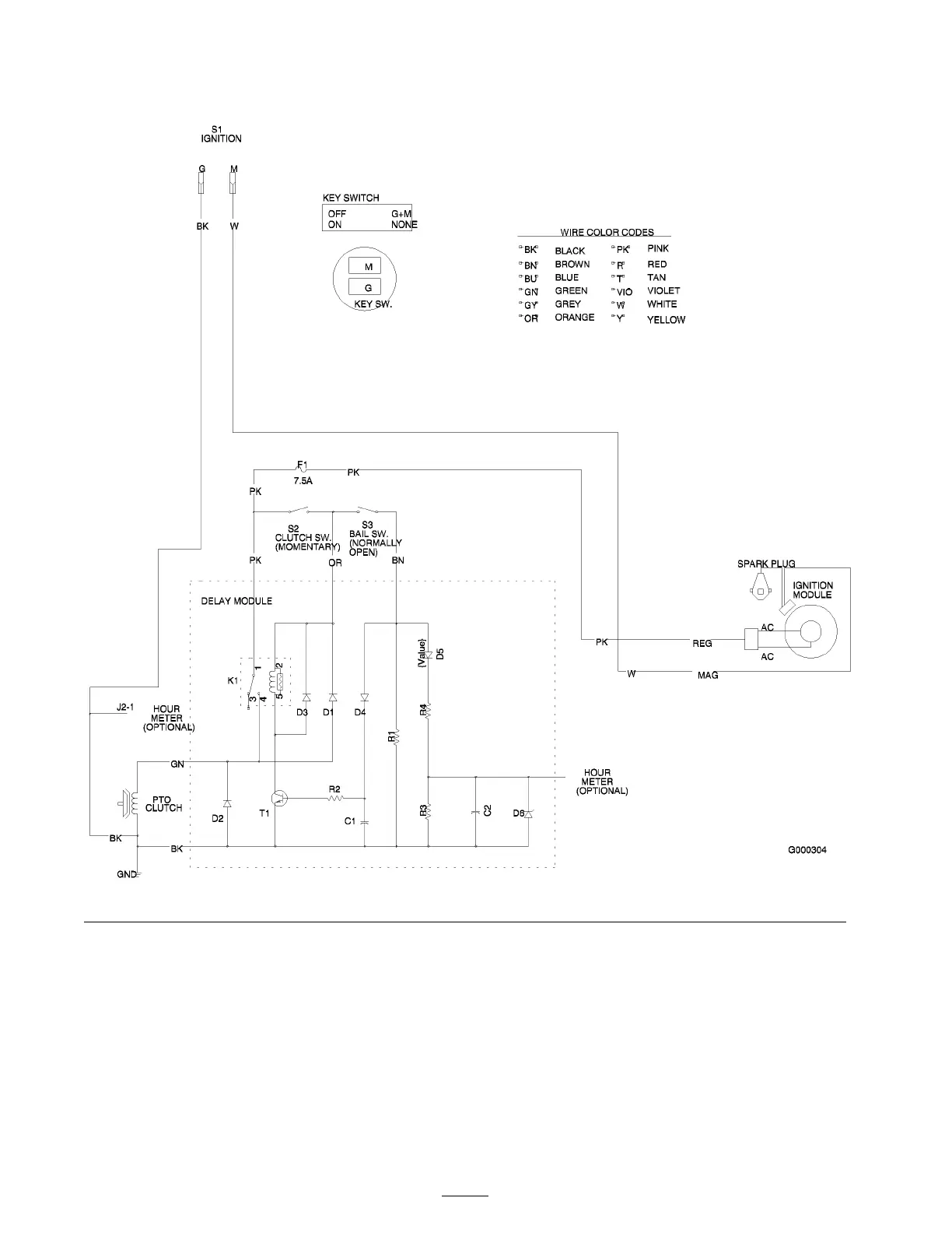
Electrical Schematic (Rev. -)
52

Table of Contents

Related product manuals