EasyManua.ls Logo

Toro Greensmaster 3150 - Charge Relief Valve Pressure Test

Toro Greensmaster 3150
250 pages
To Next Page IconTo Next Page
To Next Page IconTo Next Page
To Previous Page IconTo Previous Page
To Previous Page IconTo Previous Page
Loading...
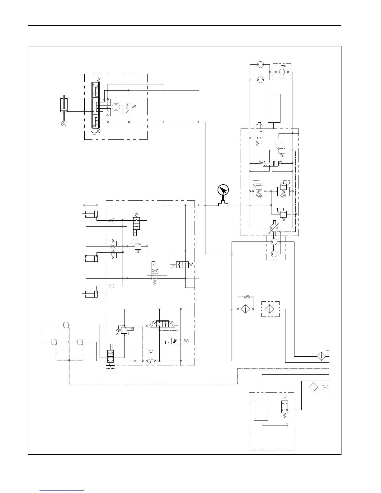
Greensmaster 3150Hydraulic System Page 4 -- 28
Charge Relief Valve Pressure Test (Using Pressure Gauge)
Raise
Lower
.73
.33 .58
400 PSI
110 to
150 PSI
10.3
20.6
1.24
4.5
1160 PSI
550 PSI
CU #2
2.0” Bore
0.75” Rod
1.88” Stroke
CU #1
1.50” Bore
0.75” Rod
3.38” Stroke
Steering Cylinder
1.5” Bore
0.75” Rod
6.19” Stroke
LEAK
DETECTOR
VOLUME
LEAK DETECTOR
ENGINE RPM
2850/1650
BOTTOM
PORT
TOP
PORT
B
A
TRANSPORT = 14.1 GPM
BACKLAP
SWITCH
(SW)
Right Front
Reel (#3)
Center
Reel (#1)
Left Front
Reel (#2)
OPTIONAL
OIL COOLER
OR1
0.013
OR2
0.060
PRV
LC
FC1
S1R1
MR
T
MA L1A
P1
L2A
G1
G2
P2
MB
PT
L3A L3BL2B L1B
R2
S4
S2
PET
LR
STEERING
VALVE
TRACTION PUMP
4.0 GPM
7.0 GPM
OPTIONAL
3WD KIT
BREATHER
SUCTION
STRAINER
GEAR
PUMP
Left
Motor
Right
Motor
BYPASS
VALVE
EXPANSION
TANK
OUT
IN
0.055
25 PSI
FILTER
ST
S3
FC2
0.030
CU #3
2.0” Bore
0.75” Rod
1.88” Stroke
0.055
10.3
.73
.73
70 to
100 PSI
3000
PSI
3000
PSI
PRESSURE
GAUGE

Table of Contents

Other manuals for Toro Greensmaster 3150

Related product manuals