EasyManua.ls Logo

Trane Performance Climate Changer PSCA - Page 60

Trane Performance Climate Changer PSCA
82 pages
Print Icon
To Next Page IconTo Next Page
To Next Page IconTo Next Page
To Previous Page IconTo Previous Page
To Previous Page IconTo Previous Page
Loading...
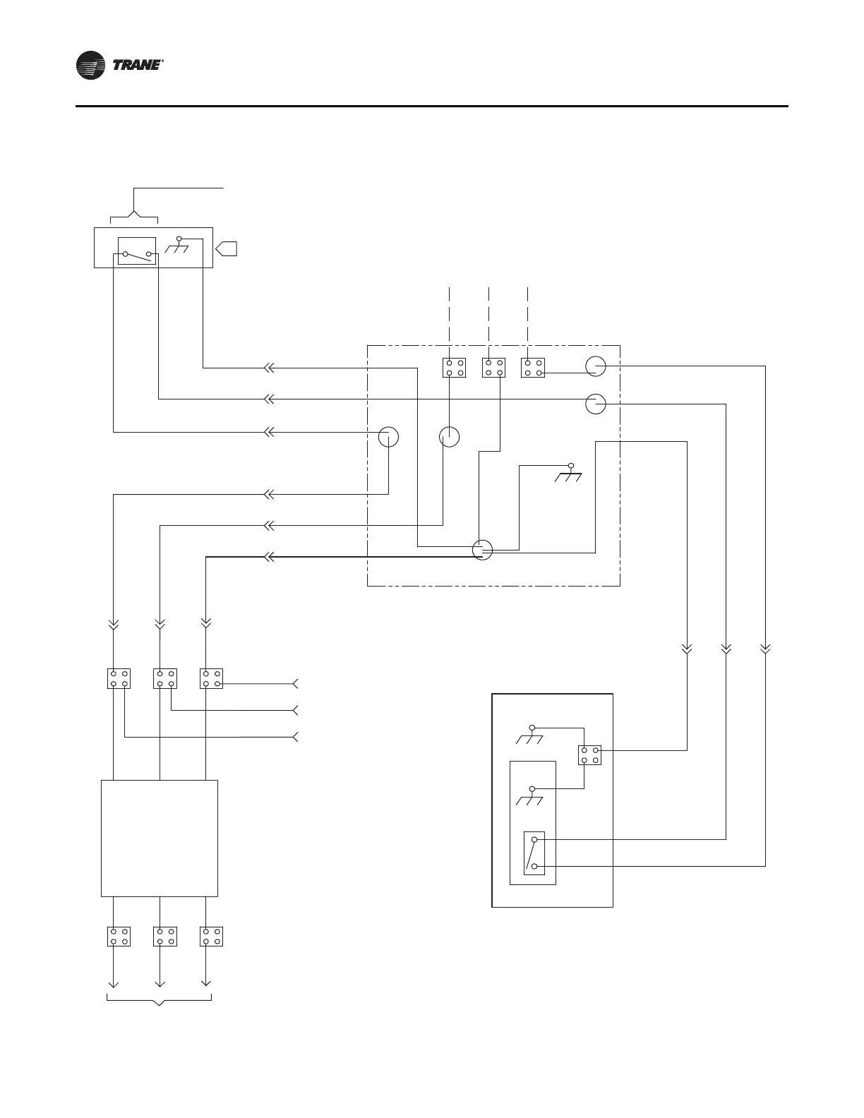
Figure 81. Typical UV light schematic
Installation - Electrical
60 CLCH-SVX013B-EN
Additional switches (if
required) wired in series
Customer supplied 120VAC power
Connectors required
for shipping splits
GRN 1
WHT 2
BLK 3
BLK 4
WHT 5
GRN 6
BLK 7
WHT 8
GRN 9
13
BLK
NGH
12
WHT
10 GRN
11
GRN
NGH
To additional rows of
light fixtures (if required)
BLK
WHT
GRN
BLK
WHT
GRN
BLK
WHT
GRN
BLK
WHT
GRN
BLK
WHT
GRN
UV Light
External
Switch Box
GRN
WHT
BLK
GRN
GRN
3S1
3S2
3
1
2
BLK
WHT
GRN
To additional rows of
light fixtures (if required)

Table of Contents

Related product manuals