EasyManua.ls Logo

Trane S9X1 - Page 23

Trane S9X1
128 pages
Print Icon
To Next Page IconTo Next Page
To Next Page IconTo Next Page
To Previous Page IconTo Previous Page
To Previous Page IconTo Previous Page
Loading...
S9XB-SVX001-1D-EN
23
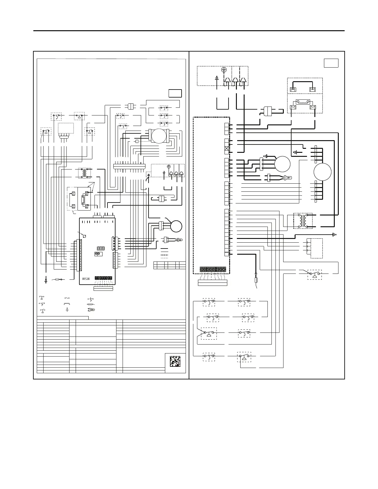
BK BLACK OR ORANGE BR BROWN
WH WHITE PR PURPLE RD RED
YL YELLOW GR GREEN BL BLUE
YL/44
YL/43
GR/BK/41
WH/40
WH/40
BK/39
BK/39
BK/WH/38
BK/WH/38
YL/WH/36
YL/WH/36
OR/WH/55
OR/WH/55
BL/WH/37
BL/WH/37
YL/46
YL/52
GR/BK/32
GR/BK/32
WH/16
WH/16
BK/28
BK/28
BK/WH/26
BK/WH/26
YL/WH/24
YL/WH/24
RD/WH/23
RD/WH/23
BL/57
BL/57
BK/14
BK/14
WH/17
WH/17
WH/15
WH/15
WH/21
WH/21
BK/22
BK/22
WH/20
RD/19
BK/18
PR/1
PR/1
BL/2
BL/2
YL/3
YL/3
PR/4
PR/4
BL/5
BL/5
RD/6
RD/6
BR/7
BR/7
BR/53
BR/53
RD/9
RD/9
GR/8
BR/10
BR/10
WH/12
PR/54
YL/50
YL/50
YL/49
YL/49
BK/13
BK/13
GR/YL/31
GR/YL/31
YL/51
YL/51
YL/48
YL/48
YL/52
BK/29
BK/29
OR/11
OR/11
YL/47
YL/47
YL/46
TO BURNER
BOX HARN
BK/30
BURNER BOX GND
S9X2
SEE NOTES 2, 3, 4, 5
BK/27
SEE NOTE 8
PANEL LOOP
GR/YL
GR/YL
YL/45
YL/45
MODEL
DEPENDENT
* SEE NOTE 7
BL/42
BL/42
RD/WH/35
BL/WH/25
BL/WH/25
OR/WH/56
OR/WH/56
NOTES:
1. IF ANY OF THE ORIGINAL WIRING AS SUPPLIED WITH THIS FURNACE MUST BE REPLACED, IT MUST BE WITH WIRE HAVING A TEMPERATURE RATING OF
AT LEAST 105°C. WIRES 12, 18, 48, 49, 50, AND 51 REQUIRE A TEMPERATURE RATING OF AT LEAST 250° C.
2.
FOR PROPER AIRFLOW IN COOLING/HEAT PUMP MODES, Y1 AND/OR Y2 MUST CONNECT FROM THE THERMOSTAT TO THE IFC LOW VOLTAGE TERMINAL STRIP
.
3. FOR COOLING ONLY SYSTEMS, LEAVE Y1-O JUMPER IN PLACE ON THE IFC FOR CORRECT LED READOUT.
4. FOR HEAT PUMP SYSTEMS, REMOVE THE Y1-O JUMPER, CONNECT "O" FROM THE THERMOSTAT TO "O" ON THE IFC LOW VOLTAGE TERMINAL STRIP
FOR CORRECT LED READOUT AND DEFROST OPERATION.
5. IF USING A SINGLE STAGE HEATING THERMOSTAT, JUMPER W1 AND W2 TERMINALS AT THE LOW VOLTAGE TERMINAL STRIP. HT2 WILL
BE SHOWN ON THE SEVEN SEGMENT DISPLAY AT ALL TIMES. SECOND STAGE OPERATION WILL BEGIN AFTER THE INTERSTAGE DELAY HAS COMPLETED.
6. TO CHANGE AIRFLOW, REFER TO THE INTEGRATED FURNACE CONTROL MENU AND OPTIONS TO SET AIRFLOW AND BLOWER DELAYS.
7. WIRE YL/45 AND RAF-2 ARE NOT PRESENT ON DOWNFLOW MODELS.
8. FLAME SENSE TEST PADS: 1 VDC = 1 MICROAMP. FLAME CURRENT CAN VARY DEPENDING ON THE VOM THAT IS
USED AND THE VOLTAGE SUPPLIED TO THE FURNACE. THE ACCEPTABLE RANGE IS 0.75-3 MICROAMPS.
9. IF APPLICABLE CONNECTION FOR FACTORY PROGRAMMING ONLY.
CONDENSATE
SWITCH
PS PRESSURE
SWITCH
FRS FLAME ROLLOUT
SWITCH
RAF REVERSE
AIR FLOW
FUSE
LC LINE CHOKE
GROUND
FP FLAME PROBE
IGN HOT SURFACE
IGNITER
TIMINGS
PREPURGE: 0 SEC.
INTERPURGE: 60 SEC.
POST PURGE: 5 SEC.
IGN WARMUP: 20 SEC.
IAP: 2; TFI: 5 SEC.
RETRIES: 2 RECYCLES: 10
HEAT ON DELAY: 30 SEC.
COOL ON DELAY: 0 SEC.
AUTO RESTART: 60 MIN.
AUTO RESTART PURGE: 60
SEC.
ELECTRICAL RATING
OR EQUIVALENT
INPUT: 24 VAC, 60 HZ.
XFMR SEC. CURRENT:
450 MA. + MV LOAD
MV OUTPUT: 1.5A @ 24 VAC
IND OUTPUT: 2.2 FLA,3.5 LRA
@ 120 VAC MAX.
IGN OUTPUT: 2.0 A @ 120 VAC
CIRC. BLOWER OUTPUT:
14.5 FLA,25 LRA @ 120 VAC
HUMIDIFIER & AIR CLEANER
(DRY CONTACTS)
MAX. LOAD: 1.0 A @ 120 VAC
24 VAC OR 120 VAC MAY BE
USED
FUSE: 5A
INTEGRATED FURNACE CONTROL
DEFAULT BLOWER MOTOR TAP SELECTIONS
COF (CONSTANT FAN): TAP 1
CL1 (FIRST STAGE COOLING): TAP 2
CL2 (SECOND STAGE COOLING): TAP 4
HT1 (FIRST STAGE HEAT): TAP 3
HT2 (SECOND STAGE HEAT): TAP 5
H LINE
N NEUTRAL
GND GROUND
HLO HIGH LIMIT OUTPUT
HLI HIGH LIMIT INPUT
PS1 1ST STAGE
PRESSURE INPUT
PS2 2ND STAGE
PRESSURE INPUT
IND INDUCER
IFC INTEGRATED
FURNACE CONTROL
RAF REVERSE AIRFLOW
TH 24VAC (HOT)
TR 24VAC (COMMON)
MVC VALVE COMMON
MVL VALVE LOW STAGE
MVH VALVE HIGH STAGE
TNS TRANSFORMER
ILI INDUCER LIMIT INPUT
IGN IGNITER
FP FLAME PROBE
HI 2ND STAGE
LO
1ST STAGE
LINE
LINE
24V
24V
FIELD
WIRING
FACTORY
WIRING
2 Stage Inducer with CTM Blower Motor
1
dl
1
sd
Status Codes
Idle
1st Stage Heating
2nd Stage Heating
Blower Tap Number
Continuous Fan
1st Stage Cooling
2nd Stage Cooling
1st Stage Heat Pump
2nd Stage Heat Pump
Defrost Mode
Menu Options
Active Alarm Menu
Last 6 Faults (To Clear,
Hold Option Button 5 sec)
Code Release Number
Cooling Off Delay (sec)
Outdoor Unit
Heat Off Delay (sec)
Inter-Stage Delay (sec)
Blower Tap Number for Continuous Fan
C1.
Blower Tap for 1st Stage
Compressor Mode
C2.
Blower Tap for 2nd Stage
H1.
Blower Tap for 1st Stage Heating
H2.
Blower Tap for 2nd Stage Heating
Run Test Mode
Error Codes
Loss of the IRQ/other internal failures
Retry exceeded (Failed to est flame)
Recycles exceeded (loss of established
flame) or 10X PS1 open
1st Stage Gas Valve not energized when
it should be exceeded after 10 times
Shorted Pressure Switch, 1st Stage
Open Pressure Switch, 1st Stage
Shorted Pressure Switch, 2nd Stage
Open Pressure Switch, 2nd Stage
Open Thermal Limit, Rollout Switch, or Reverse Airflow Switch
Flame detected, should not be present
Voltage reversed polarity
Bad Grounding
(1) Igniter relay fails
(2) Igniter open
1st stage gas valve (MVL) is energized when it should be off
Flame current is low, but still strong enough to allow operation.
Open Inducer Limit Switch or Condensate Switch
(1) 1st stage gas valve not energized when it should be
(2) 1st stage gas valve relay stuck closed
(3) 2nd stage gas valve relay stuck closed
(4) 2nd stage gas valve energized when it
should not be
(5) 2nd stage gas valve not energized when
it should be
Open fuse
E04
E05
E08
E09
E11
E12
D346024P01 REV F
C0f
COP
HtP
rUn
E01
Ht1
Ht2
tp
COF
CL1
CL2
HP1
HP2
dFt
Err
L6 F
Cr
COd
OdU
H0d
BL/58
BL/58
SEE NOTE 9
Compressor Mode
X
X
BLOWER
MOTOR
C
L
G
N
24v
120v
TNS
VENT
MOTOR
(INDUCER)
**
1
2
3
GAS
VALVE
1
2
3
RAF-1
IGN
PS1
PS2
X
X
INDUCER_LIMIT
THERMAL_LIMIT
FLAME_ROLLOUT2
FLAME_ROLLOUT1
FLAME_PROBE
LINE CHOKE
FP
HLI
MVH
MVL
GND
PS2
TH
MVC
HLO
PS1
TR
ILI
TNS-H
CIRC-H
LINE-H
LINE-N
(blocked)
CIRC-N
TNS-N
IGN-N
IND-N
IND-LO
IND-HI
IGN-H
IFC
EAC
HUM
LINE
NEUTRAL
4
3
W2W1 R G
B/C
Y2
Y1
O
THERMOSTAT
FP
1
2
1
2
3
MENU OPTION
TAP1
TAP2
TAP3
TAP4
TAP5
GND
1
2
3
12
11
10
9
8
7
6
5
4
3
2
1
1
2
3
4
5
1
2
2
1
1
2
CONDENSATE
JUNCTION BOX
120v 60 Hz. 1 PH
POWER SUPPLY PER LOCAL CODE
H N
GND
X
X
RAF-2
121110987654321
1 2 3 4 5 6 7 8 9 10 11 12
1
2
3
4
1
2
3
4
5
6
5
4
3
2
1
2
1
1
2
123
1234
1 2 3
E2.1
E2.2
E2.3
E3.1
E3.2
E3.3
E6.1
E6.2
E6.3
E7.1
E3.4
JUMPER
MODEL
DEPENDENT
RD/WH
RD/WH
YL/WH YL/WH
BK/WH BK/WH
BL/WHBL/WH
GR/BK
BR
BR
BL
BL
RDRD
YL
YL
YL
BK
RD
WH
GR/YL
GR/YL
YL
GR
YL
YL
YL
WH WH
BK
BK
WH
WH
BK
BK
WH
WH
BK
BK
BK
BK
BL
RD
BR
BR
BR
BR
BK
BK
WH
WH
PR
PR
PR
PR
PR
OR
OR
WH
BURNER
BOX GND
BK
BK
BK
PANEL LOOP
YL YL
OR/WH OR/WH
BL
BL
VENT
MOTOR
(INDUCER)
**
1
2
3
IGN
ILI
TR
PS1
HLO
MVC
TH
PS2
GND
MVL
MVH
HLI
FP
W2 W1 R G
B/C
Y2
Y1
O
THERMOSTAT
LINE-H
CIRC-H
TNS-H
TNS-N
CIRC-N
LINE-N
IGN-H
IND-HI
IND-LO
IND-N
IGN-N
TAP1
TAP2
TAP3
TAP4
TAP5
GND
1
2
3
4
5
6
7
8
9
10
11
12
1
2
3
4
5
6
1
2
3
4
5
4
3
1
3
2
1
IFC
JUNCTION BOX
120v 60 Hz. 1 PH
POWER SUPPLY PER LOCAL CODE
H N
GND
LINE CHOKE
JUMPER
24v
120v
TNS
GAS
VA
LVE
1
2
3
FLAME_ROLLOUT1
FLAME_ROLLOUT2
RAF-1
THERMAL_LIMIT
INDUCER_LIMIT
PS2
CONDENSATE
PS1
FLAME PROBE
1
2
RAF-2
BLOWER
MOTOR
G
N
4
3
2
1
L
C
5
2
1
S9X2
WWiirriinngg DDiiaaggrraammss

Table of Contents