EasyManua.ls Logo

Trane TR170 - Acoustic Noise or Vibration

Trane TR170
51 pages
Print Icon
To Next Page IconTo Next Page
To Next Page IconTo Next Page
To Previous Page IconTo Previous Page
To Previous Page IconTo Previous Page
Loading...
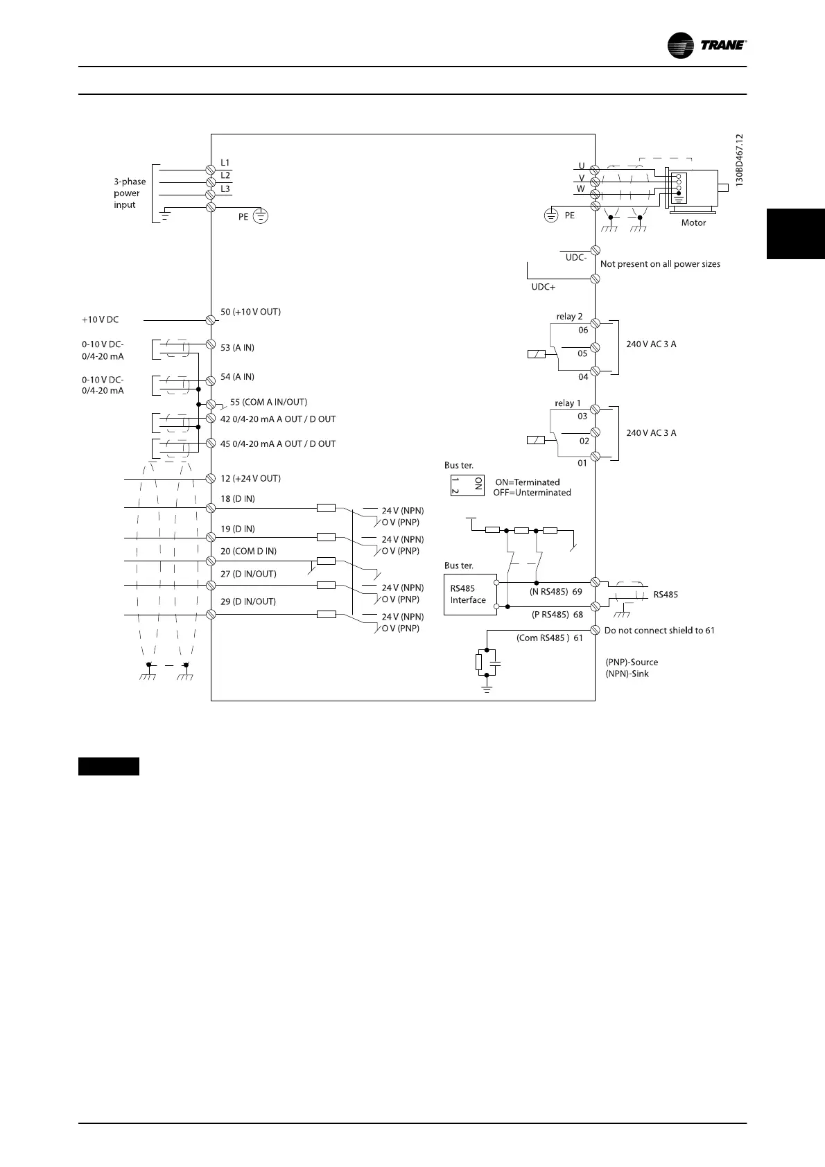
Illustration 3.15 Basic Wiring Schematic Drawing
NOTICE
There is no access to UDC- and UDC+ on the following units:
IP20, 380–480 V, 30–90 kW (40–125 hp)
IP20, 200–240 V, 15–45 kW (20–60 hp)
IP20, 525–600 V, 1.5–90 kW (2.0–125 hp)
IP54, 380–480 V, 22–90 kW (30–125 hp)
3.2.6 Acoustic Noise or Vibration
If the motor or the equipment driven by the motor - for
example, a fan - is making noise or vibrations at certain
frequencies, congure the following parameters or
parameter groups to reduce or eliminate the noise or
vibrations:
Parameter group 4-6* Speed Bypass.
Set parameter 14-03 Overmodulation to [0] O.
Switching pattern and switching frequency
parameter group 14-0* Inverter Switching.
Parameter 1-64 Resonance Damping.
Installation TR150 and TR170 Quick Guide
BAS-SVX58D-EN
08/2020 All rights reserved.
17
3
3

Other manuals for Trane TR170

Related product manuals