EasyManua.ls Logo

True TC900 - Page 22

True TC900
167 pages
Print Icon
To Next Page IconTo Next Page
To Next Page IconTo Next Page
To Previous Page IconTo Previous Page
To Previous Page IconTo Previous Page
Loading...
CHAPTER 2: ASSEMBLY GUIDE
Truetness.com / 800.426.6570 / 636.272.7100
22 of 171
TREADMILL ASSEMBLY STEPS:
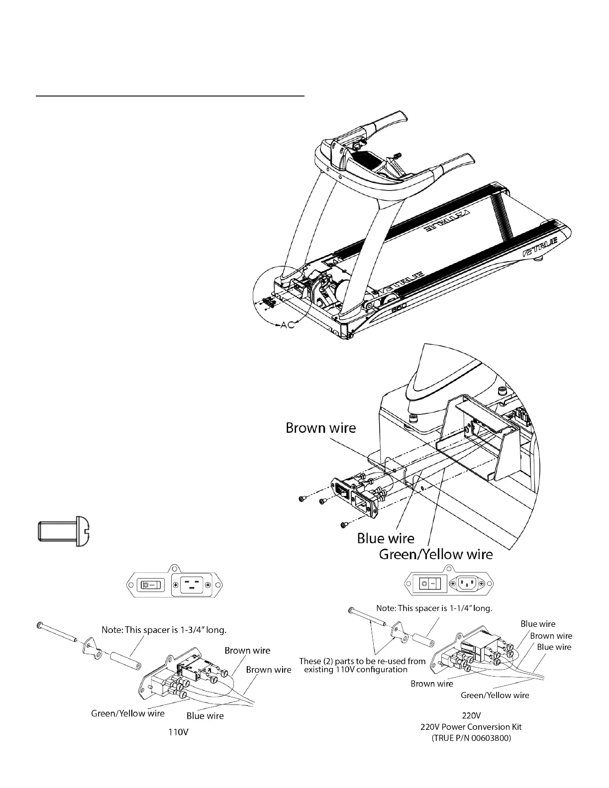
Step 11 Power Inlet Assembly-220V (Optional):
a) Remove any power cords that might be
attached to the unit. Note: is step can be
performed without removing the motor
cover. e power inlet assembly can safely be
pulled out about 4 inches.
b) Remove the power inlet assembly-110V
from the power panel assembly. Keep the
three screws M5 x .8 for later in this step.
c) Install the 220V power inlet assembly as
follows: Disconnect the wires one at a time
as you transfer them from the original 110V
panel to the 220V panel. Note: e 220V
panel has a green, blue, and a brown color
dot on it. e colored dots correspond to
which color cables should be installed at
those locations. Begin moving the GREEN/
YELLOW wire over to the GREEN dot. Next,
move the BLUE wire over to the BLUE dot.
Lastly, move the BROWN wire over to the
BROWN dot.
d) Secure the power inlet assembly-220V to
the power panel assembly using three screws
M5 x .8.
Hardware Required:
3 screws M5 x .8

Table of Contents

Related product manuals