EasyManua.ls Logo

Ulvac C30PZ - Page 38

Default Icon
83 pages
Print Icon
To Next Page IconTo Next Page
To Next Page IconTo Next Page
To Previous Page IconTo Previous Page
To Previous Page IconTo Previous Page
Loading...
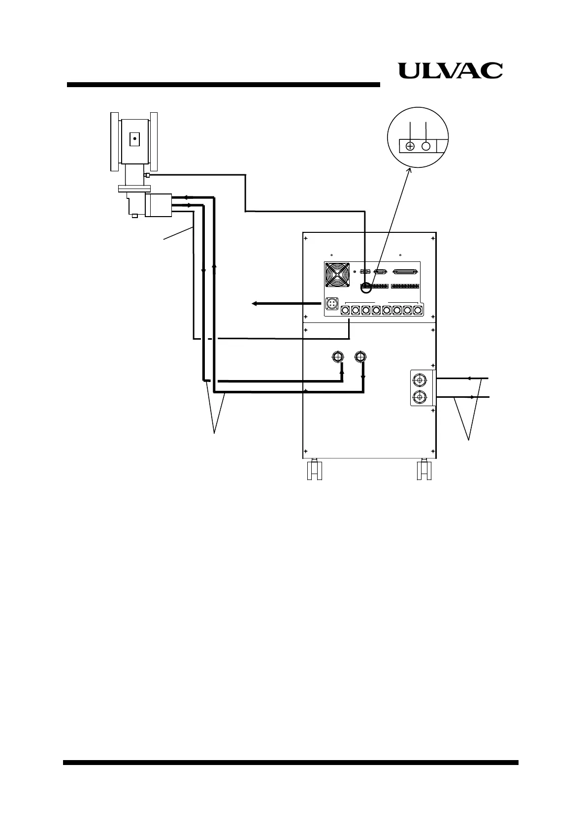
Installation
RET UR GA UPLL ASRET UR GA UPLL AS
WATER IN
WATER OUT
REMOTE/RESPONSEFAILER OUT
RS232C
CA (TYPE:K)
8+
7+
6+
5+
4+
3+
2+
1+
CA (TYPE:K)
COLD HEAD POWER
87654321
INPUT POWER
LOCAL
REMOTE
IN
OUT
Cooling
Water Line
Connecting Piping
(Flexible Hoses)
(
RETURN
)
(
SUPPLY
)
Refrigerator
Power Cable
K thermocou
p
le
Red
Power Source
Figure 3-5
C30PZ Connections
3-8  ULVAC CRYOGENICS INCORPORATED