EasyManua.ls Logo

Upright MX15 - Figure 3-18: Hydraulic Manifold

Upright MX15
114 pages
Print Icon
To Next Page IconTo Next Page
To Next Page IconTo Next Page
To Previous Page IconTo Previous Page
To Previous Page IconTo Previous Page
Loading...
Page 3-15
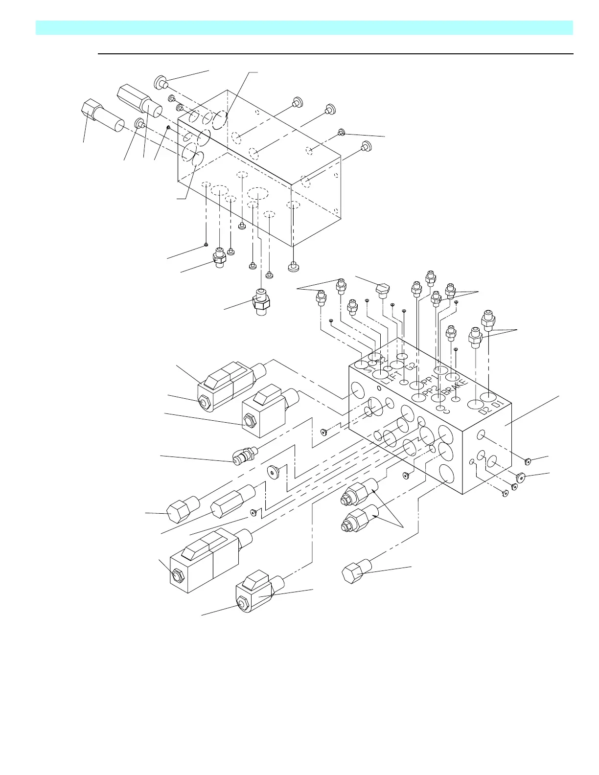
Maintenance 3.13 - Hydraulic Manifold
MX15/19
Figure 3-18:
Hydraulic Manifold
#6
#2
#6
#6
#6
2
#2
#2
#4
#4
#4
#4
#4
#4
#8
Pressure
Tank
2
9
17
2
8
4
16
6
18
1
6
#2
#2
#2
#2
#2
#2
#4
#4
#4
#4
#4
#4
#6
#8
5
24
4
3
14
19
7
23
3
10
22
21
12
13
11
5
Front
Bottom
Top
Left
Right
Rear
1. CONTROL VALVE BLOCK
2. FITTING #2PLUG
3. FITTING #4PLUG
4. FITTING STRAIGHT 6MB - 6MJ
5. FITTING STR 4MBH - 4MJ
6. FITTING PLUG #6
7. RELIEF VALVE-- 2000 PSI (138 BAR
8. FITTING 8MB-8MJX
9. RELIEF VALVE, STEERING--1200 PSI (83
BAR)
10. RELIEF VALVE, MAIN--3000 PSI (207 BAR)
11. LIFT SOLENOID
12. COIL
13. STEERING SOLENOID
14. COUNTERBALANCE VALVE
16. FITTING PLUG #8
17. FLOW DIVIDER VALVE (1.0 GPM)
18. DEPRESSION MECHANISM VALVE W/ COIL
19. COIL
21. FITTING GAUGE
22. CHECK VALVE
23. DRIVE SOLENOID W/ COILS
24. FITTING, HEX PLUG 9MM
060569-004

Table of Contents

Other manuals for Upright MX15

Related product manuals