EasyManua.ls Logo

Upright MX15 - Page 97

Upright MX15
114 pages
Print Icon
To Next Page IconTo Next Page
To Next Page IconTo Next Page
To Previous Page IconTo Previous Page
To Previous Page IconTo Previous Page
Loading...
Page 6-25
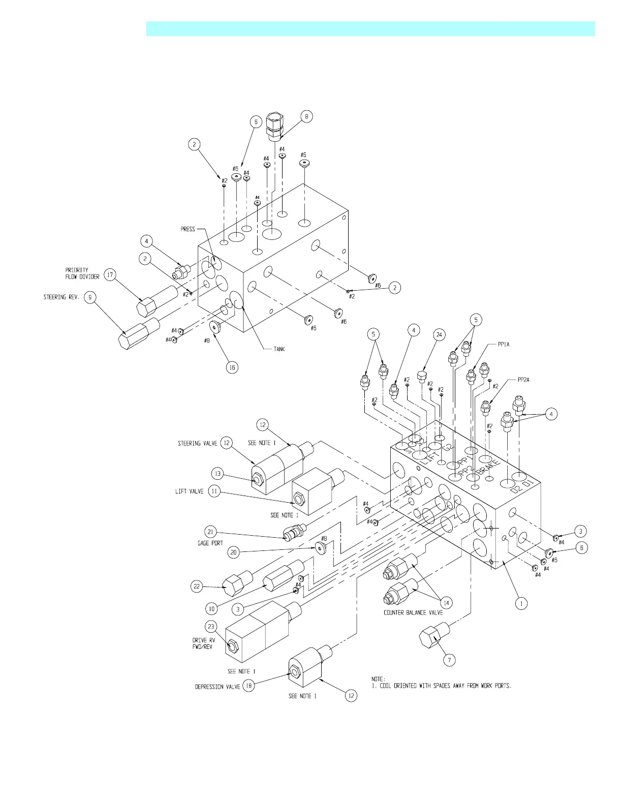
Illustrated Parts Breakdown -6.1-Introduction
MX15/19
Front
Bottom
Rear
Left
Right
Top
060569-004

Table of Contents

Other manuals for Upright MX15

Related product manuals