EasyManua.ls Logo

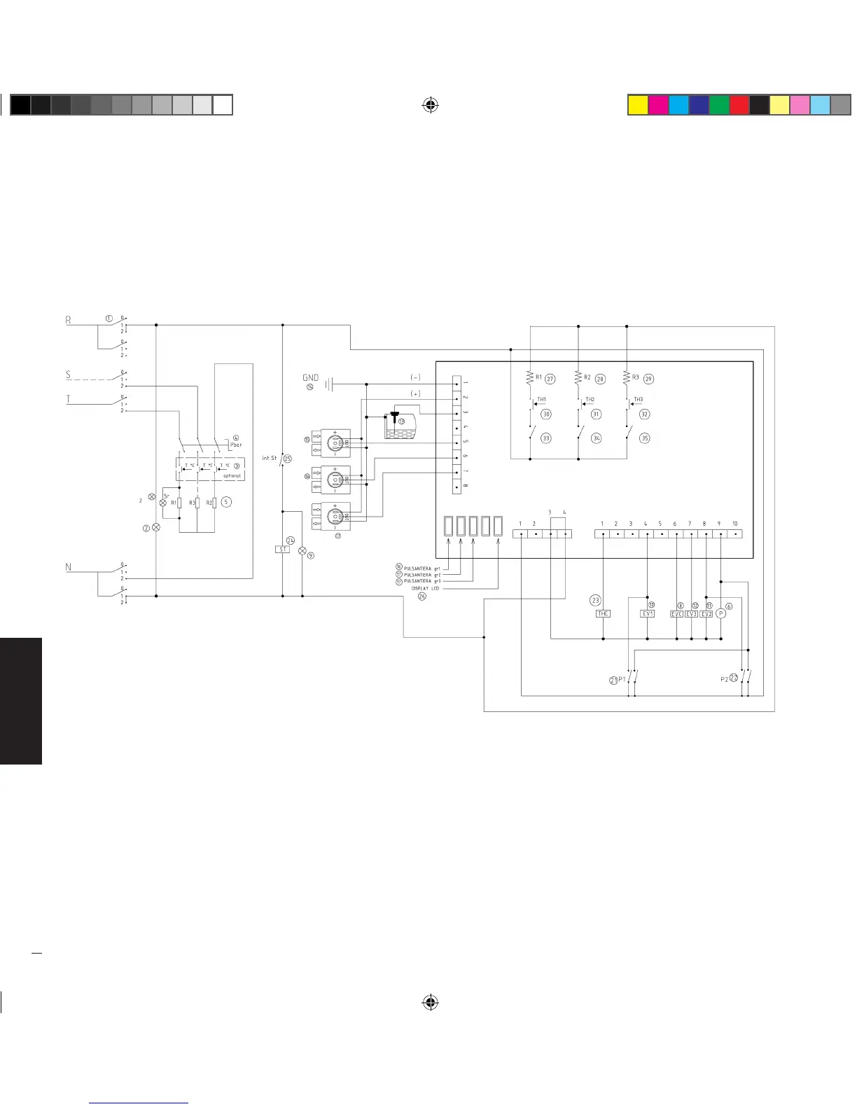
VBM REPLICA 2B - 21 Schaltplan der Maschine

VBM REPLICA 2B
Print Icon
To Next Page IconTo Next Page
To Next Page IconTo Next Page
To Previous Page IconTo Previous Page
To Previous Page IconTo Previous Page
Loading...
52
DEU
21,
SCHALTPLAN DER MASCHINE.
Manuale_Replica2B Elettronica_Rev0_5lingue_03-2016.indd 52 19/04/16 17:27

Table of Contents

Related product manuals