EasyManua.ls Logo

Veichi AC310 - Analogue Signal Detection and Maintenance; Analogue Input Signal Test (AI1, AI2): Voltage 0-10 V; Current 0-20 Ma

Veichi AC310
63 pages
Print Icon
To Next Page IconTo Next Page
To Next Page IconTo Next Page
To Previous Page IconTo Previous Page
To Previous Page IconTo Previous Page
Loading...
35
AC310 Universal AC Drive Service Manual
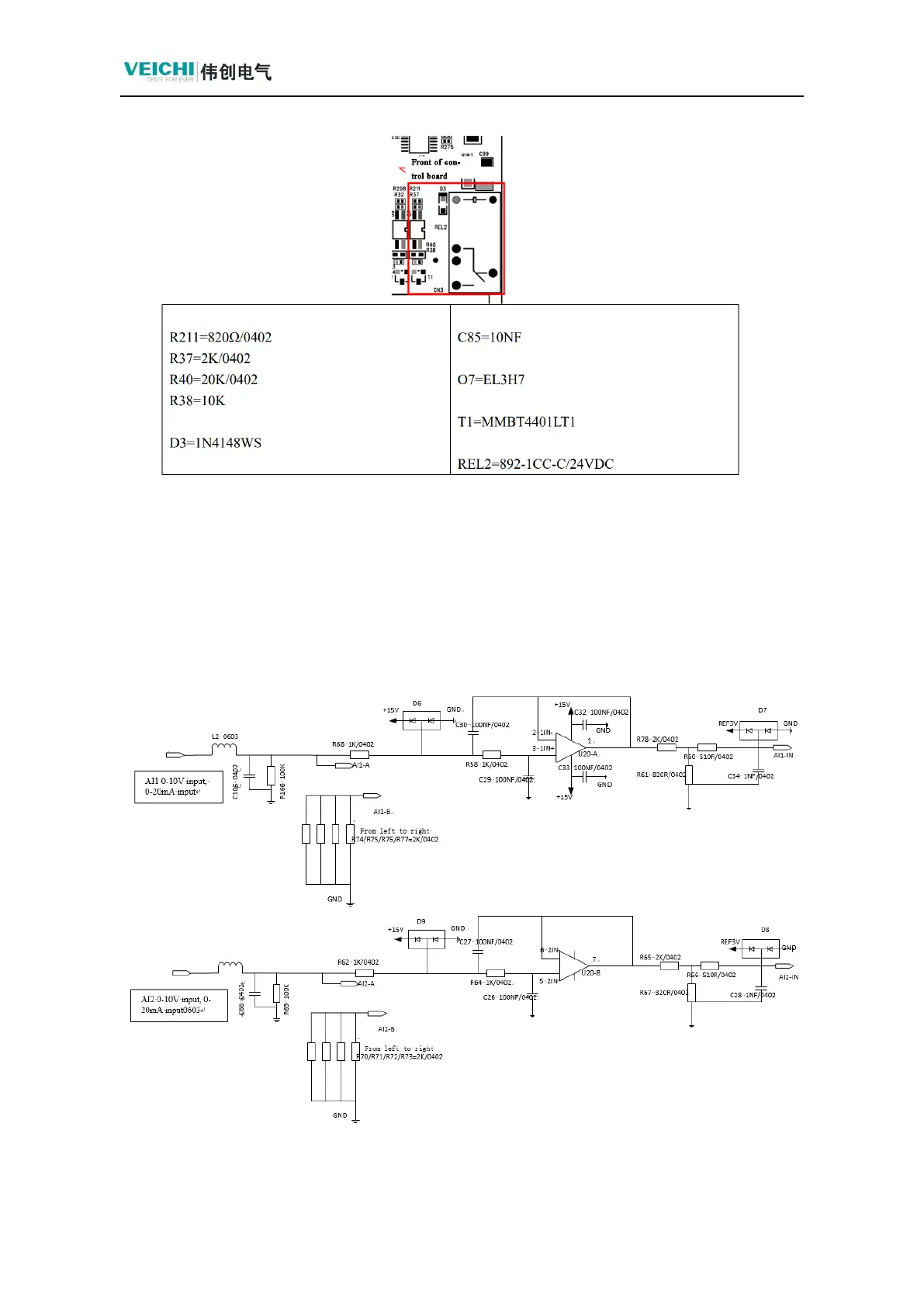
3.4 Analogue Signal Detection and Maintenance
3.4.1 Analogue Input Signal Test (AI1, AI2): Voltage 0-10V;
Current 0-20mA

Table of Contents

Related product manuals