EasyManua.ls Logo

Veichi AC310 - Keypad Key Circuit

Veichi AC310
63 pages
Print Icon
To Next Page IconTo Next Page
To Next Page IconTo Next Page
To Previous Page IconTo Previous Page
To Previous Page IconTo Previous Page
Loading...
47
AC310 Universal AC Drive Service Manual
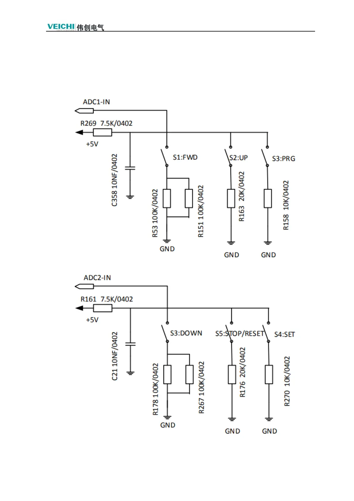
3.7.1 Keypad Key Circuit:
AC300CON1-V1.0 keypad adopts the analogue amplitude detection method to realize the

Table of Contents

Related product manuals