EasyManua.ls Logo

Veichi AC310 - VPN Detection and Maintenance

Veichi AC310
63 pages
Print Icon
To Next Page IconTo Next Page
To Next Page IconTo Next Page
To Previous Page IconTo Previous Page
To Previous Page IconTo Previous Page
Loading...
51
AC310 Universal AC Drive Service Manual
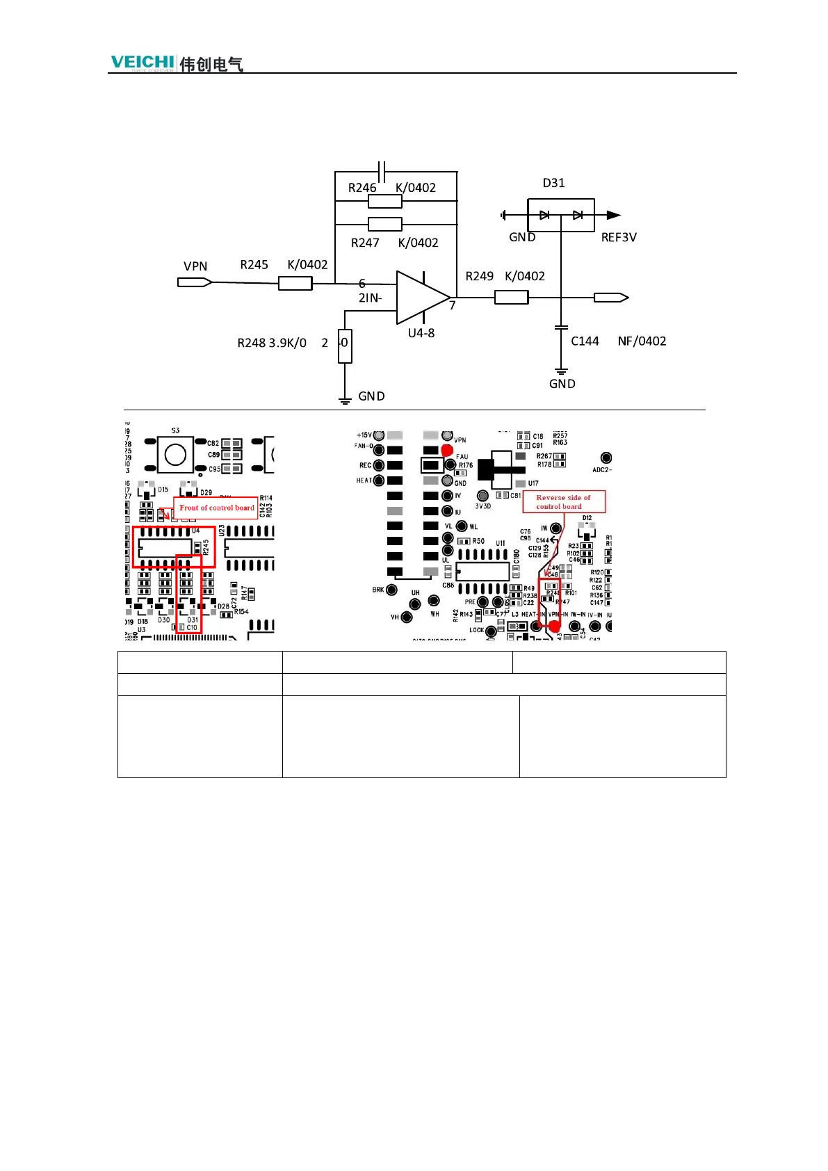
3.8 VPN Detection and Maintenance
C50 10NF/0402
Red pen
VPN
VPN-IN
Black pen
GND1
Voltage range
T2 model: Bus voltage 579V
corresponds to 5V
T3 model: bus voltage 1000V
corresponds to 5V
DSP Input Voltage Range -
0.3V to 4.6V
1. If the VPN consistent unchanged, the power board voltage detection circuit is abnormal, test
the power board VPN detection circuit.
2. If the VPN-IN voltage is abnormal, then the VPN input signal circuit failure, common failure
is U4 TL084IDR damage, replace the device in the test.
12
12
10
1
10

Table of Contents

Related product manuals