EasyManua.ls Logo

Veichi AC310 - Analogue Output Signal(Ao1, Ao2):Voltage 0-10 V; Current 4-20 Ma,0; 20 Ma;Frequency Signal 0-50 KHZ

Veichi AC310
63 pages
Print Icon
To Next Page IconTo Next Page
To Next Page IconTo Next Page
To Previous Page IconTo Previous Page
To Previous Page IconTo Previous Page
Loading...
38
AC310 Universal AC Drive Service Manual
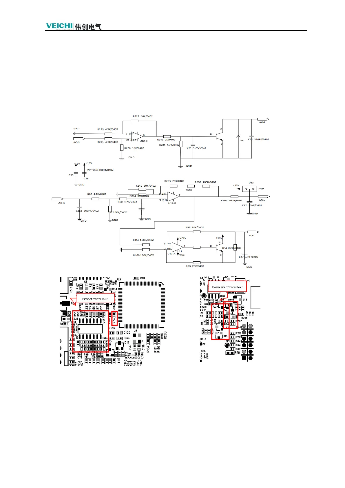
3.4.2 Analogue Output SignalAO1, AO2: Voltage 0-10V; Current
4-20mA ,0-20mA; Frequency Signal 0-50KHZ
Test the output voltage: DIP switch to A01 or AO2 voltage ON terminal, at this time
parameter setting F03.37=0, F03.38=1, check C00.20 or C00.21, then press the start button,
there will be voltage from 0-10V (after parameter setting or use multimeter DC gear, measure
+10V).
F03.38=1, check C00.20 or C00.21, then press the start button, there will be a voltage
from 0-10V (after the parameters are set up or use a multimeter DC gear, measure the voltage
between +10V and GND, the operation will be from 0V to 10V). Figure 3 (Run to maximum

Table of Contents

Related product manuals